產品分類
聯系我們
產品搜索

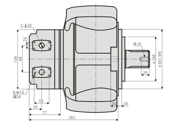
徑向尺寸:510

YLM16系列外五星液壓馬達技術參數
|
型號 |
排量(ml/r) |
額定壓力(Mpa) |
最高壓力(Mpa) |
額定扭矩 (N.M) |
單位扭矩(N.m/MPa) |
轉速范圍(r/min) |
重量(Kg) |
|
YLM16-1400 |
1413 |
25 |
32 |
5138 |
210 |
2~400 |
170 |
|
YLM16-1600 |
1648 |
20 |
25 |
6158 |
262 |
2~400 |
|
|
YLM16-1800 |
1814 |
20 |
25 |
5433 |
283 |
2~320 |
|
|
YLM16-2000 |
2034 |
16 |
25 |
6030 |
323 |
2~320 |
|
|
YLM16-2400 |
2401 |
16 |
20 |
5763 |
360 |
2~250 |