自動校直切斷機液壓馬達系統
首頁 ? 液壓行業知識 ? 自動校直切斷機液壓馬達系統

         主機功能結構
        校直切斷機是用于將成卷加工、存放的鋼筋(螺紋鋼)校直并切斷為設定長度的設備。新型自動校直切斷機,采用了液壓傳動和新型可編程序計算機控制器PCC (ProgrammingComputer Controller)。 
       
                                                        【圖1校直切斷機的組成框圖】
        校直切斷機由機械、液壓和電控等部分組成(見圖1),在可編程計算機控制器PCC控制下,完成鋼筋的校直和切斷加工。本機器有手動液壓馬達和自動液壓馬達啊兩種工況。在手動工況下,可以實現主電機點動、切點動、翻點動和急停;在主電機點動時,可把螺紋鋼送入主機的送料機構;切點動可把多余的螺紋鋼切掉,翻點動可把已切斷的螺紋鋼從料臺上翻轉下來。設置手動工況更確保在設備維修和出現故障時也便于操作。
       液壓系統及其工作原理
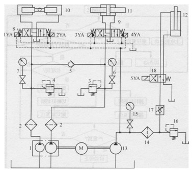
        圖2所示為機器的液壓馬達系統原理圖,系統的執行器為切斷液壓缸10、跟切液壓缸11和翻轉液壓缸12,其中缸10和11的運動分別由三位四通電液換向閥8和9控制,缸10和11的油源為雙聯液壓泵1,雙聯泵中大泵和小泵的壓力分別由溢流閥3和4控制,并通過壓力表及其開關6和7顯示,雙泵的出口串接有精過濾器2;翻轉液壓缸12由液壓泵13供油,泵13同時兼作電液換向閥8和9的控制油源,泵13的壓力由溢流閥16設定并由壓力表及其開關15顯示,缸12的運動由二位四通電磁換向閥18控制,其運動速度通過進油調速閥7調節。 
         
                                   圖2 自動校直切斷機液壓馬達系統原理圖
1-雙聯液壓泵;2、14-精過濾器;3、4、16-溢流閥;5-單向閥;6、7、15-壓力表及其開關;8. 9-_位四通電液換向閥;10-切斷液壓缸;ll-跟切液壓缸;12-翻轉液壓缸; 13-定量液壓泵;17-調速閥;18-二位四通電磁換向閥
        在自動工況下,利用光電轉換器來計量主機所送入螺紋鋼的長度,一旦達到設定值,PCC立即給跟切缸發出跟切的信號,電磁鐵3YA通電,換向閥9切換至左位,雙聯泵的大泵向跟切缸11的右腔供油,跟切缸帶動切刀運動,延時一定時間后,給切斷缸發出切斷信號,如切刀處于左方,則電磁鐵1YA就通電;反之則2YA通電,同時給翻轉缸12發出翻轉信號,即電磁鐵5YA通電。由于采用了雙刀切斷,切斷缸到位后便是下一循環的初始位置,而跟切缸、翻轉缸到位后立即復位,即電磁鐵3YA斷電,4YA通電,跟切缸退回,電磁鐵5YA斷電,翻轉缸復位,為下一循環作好準備。
        電控系統
        1)硬件該校直切斷機的電控系統采用可編程序控制器PCC2003,它是一種較PLC更高層次的、專為中小型控制項目設計的計算機控制器,集成了標準的PLC和工業控制計算機的特點,具有多任務分時操作系統,數據運算和處理能力比PLC更強大。它不僅可用常規PLC的梯形圖(LAD)和指令表(STL)來編程,而且提供了基于文本的面向過程的結構化高級語言(PL2000)。PCC的最大特點是分時多任務操作,在工程應用中,可分別編制出控制程序模塊,這些模塊相互獨立運行,但數據保持一定的相互關聯。這些模塊在經過獨立編譯和調試后,可一同下載至PCC和CPU中,在多任務操作系統的調度管理下,并行運行(周期可由用戶設定),共同實現項目的控制要求。PCC幾乎所有硬件都采用模塊結構,可靈活自由地通過任意組合插拔來擴展系統。在本系統中,CPU的型號是CP774,并擴展了16點輸入的D1439、8點繼電器輸出的D0720、8點晶體管輸出的D0435;計數模塊DI/13.5和顯示屏幕PROVIT2000。
        軟件PCC采用通用的PC機作為在線編程開發工具,整個控制程序采用PL2000高級語言來編制。系統控制軟件由操作界面、系統初始化、液壓啟動、手動工況、自動工況、自動停止、停止等7個控制模塊組成。由多個并行任務模塊協同完成,任務模塊的系統流程如3所示。
        技術特點
        1)與其他校直切斷機相比,新型自動校直切斷機由于采用了液壓傳動和新型PCC控制技術,提高了自動化程度、安全可靠性和加工精度,重復性好,縮短了最小切斷長度;可通過操作界面方便地調整系統參數,實時顯示生產數據,使用方便。
        2)機器的液壓系統采用一臺電動機同時驅動一臺雙聯泵和一臺單定量泵工作,能量利用合理;系統油路結構簡單。

              
                                                             圖3系統流程圖


本文標題:自動校直切斷機液壓馬達系統


分類:液壓行業知識
標簽: