主機功能結構
蓄電池是電動汽車的能源,隨著人們環保意識的加強及城市交通電動汽車擁有量的增加,蓄電池的消耗量及需求日益加大。蓄電池的殼體由塑料制造,要求嚴格密封,半成品時要分成蓋板與殼體制造,在裝配時要在塑料熔融狀態下熱壓密封(簡稱熱封)。熱封機是取代人工作業,對蓄電池進行熱壓密封以提高產品產量和質量的專用設備。
蓄電池的熱封工藝流程(參考圖6-29)為:送料定位[上蓋3與殼體2經人工疊好對齊后,由輸送鏈送入熱封機的升降平臺l上,利用氣動裝置進行送料定位(前進方向)和橫向定位,升降平臺上升將其壓緊在位置上,見圖6-29(a)];分離上蓋與殼體[升降平臺下降,使蓄電池上下蓋分開,見圖6-29 (b)],加熱板4快速送入兩者之間;加熱[加熱板與平臺再次上升,使上蓋下平面與下殼體上平面緊貼加熱板加熱,見圖6-29(c)];熱封[當溫度達到預定溫度后,加熱板下降并退出,然后平臺第3次上升,使達熔融狀態下的殼體在一定的壓力下熱封和冷卻,見圖6-29 (d),并牢固地粘成一體]。一個工作循環結束。

【 圖6-29 蓄電池熱封工藝過程示意圖】

圖6-30熱封機主機結構示意圖
1-平臺升降液壓缸;2一升降平臺;3-送料定位汽缸;4-橫向定位汽缸5-加熱板; 6-加熱板進退汽缸;7-加熱板升降液壓缸;8-鉤蓋汽缸9-固定上橫梁; 10-真空吸盤;11-夾緊汽缸
實現上述工藝過程的主機結構示意圖如圖6-30所示,機器共有送料至平臺、前進方向定位、橫向定位、夾緊、平臺升降、加熱板進退、加熱板升降、上蓋分離、鉤蓋、吸蓋等10個動作,除送料動作利用輸送鏈實現外,其余9個動作分別由液壓缸及汽缸和真空吸盤實現。由于平臺升降,加熱板升降要求較高的壓力,其余動作過程負載很輕,因此前者采用液壓驅動,后者采用氣壓傳動。
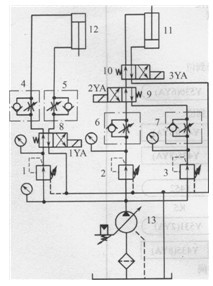
(2)液壓系統與氣動系統及其工作原理
圖3 (a)所示為熱封機的液壓系統原理圖。系統的執行器為驅動平臺升降的液壓缸11和驅動加熱板升降的液壓缸12,用以完成加熱和熱封時的保壓過程。系統的油源為限壓式變量泵13。缸11和缸12的運動方向分別由二位四通電磁換向閥10和8控制;為了在三個油路上獲得獨立的穩定壓力,分別用三個減壓閥1、2、3對它們進行調壓,減壓閥1和2用于設定加熱時的壓力,減壓閥3用于設定熱封時的壓力,從而滿足不同工作階段對壓力的需求;缸11的快速上升和慢速接近運動分別采用單向節流閥6、7進油調速,并用換向閥9實現兩種速度的換接;由于加熱板行程較短,故采用單向節流閥4和5雙向出口節流。
圖3(b)所示為熱封機的氣動系統原理圖,按照工作性質的不同,系統7個執行器劃分為三個壓力不同的回路,三個回路分別通過氣源三聯件15、16、17與系統的氣源連接。第一個回路為主運動回路,通過汽缸26驅動加熱板的進退,缸26通過單向節流閥24、25實現回氣節流調速,通過三位六通電磁氣控換向閥23實現運動方向控制,溢流減壓閥18作為缸26的背壓閥并通過二位三通電磁換向閥21進行轉換,閥18、21、23的排氣口裝有消聲器19、20和22,可以降低噪聲。第二個回路為5個并聯汽缸組成的定位夾緊回路,要求壓力較低,各汽缸的運動方向和速度分別通過二位五通電磁換向閥37~40和節流閥29~36控制和調節,該回路4個換向閥的排氣口共用兩個消聲器27、28,以便降低工作時的噪聲。第三個回路的執行器為真空吸盤49,通過真空發生器47使正壓力氣源的壓縮空氣產生真空,吸附上蓋,使之與下殼體分離;該回路的通斷由二位三通電磁換向閥45控制,壓力繼電器46用于監控真空吸盤的壓力。

圖3熱封機的液壓系統和氣動系統原理圖
1、2、3-減壓閥;4、5、6、7-單向節流閥;8、9、10-=位四通電磁換向閥; 11-平臺升降液壓缸;12 -加熱板升降液壓缸;13 -變量葉片泵;14-氣源; 15、16、17 -氣源三聯件;18 -溢流減壓閥;19、20、22、27、28-消聲器; 21、45-二位三通電磁換向閥;23-三位六通電磁氣控換向閥;24、25-單向節流閥; 26-加熱板進退汽缸;29、30、31、32、33、34、35、36-節流閥; 37、38、39、40-二位五通電磁換向閥41-吸盤鉤蓋汽缸42-送料定位汽缸43-橫向定位汽缸;44-夾緊汽缸;46-壓力繼電器;47-真空發生器;48-空氣過濾器;49-真空吸盤
分類:液壓行業知識
標簽: 液壓馬達

