該機是采用液壓馬達傳動的乳化炸藥裝藥設備,其結構示意圖如圖4 37所示。工作時,先打開加料蓋5,把乳化炸藥藥體加滿送藥桶4;然后送藥液壓缸3的活塞左行,把藥體從送藥桶4向裝藥桶2輸送,并始終向藥體作用一個向左且大小不變的推力。在此期間,裝藥液壓缸1的活塞下行,藥體從裝藥管6擠出向外裝藥。當缸1的活塞碰到設置的行程開關時,活塞上行,送藥桶2中的藥體在推力作用下,又自行送人裝藥桶,充滿剛裝藥所騰出的空間。同時送藥液壓缸活塞向左移動相應的距離。裝藥缸的活塞每上下運動一次即完成裝藥一次。這樣,裝藥缸活塞反復運行,直至送藥桶內的藥體全部裝完后,缸3的活塞右行退回,則完成了一個完整的裝藥工作循環。

圖4-37裝藥機結構示意圖
1-裝藥液壓缸;2-裝藥桶;3送藥液壓缸;4-送藥桶;5-加料蓋,6-六頭藥管;7-藥體
液壓系統及其工作原理
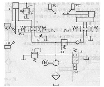
圖4-38所示為裝藥機的液壓系統原理圖,系統的油源為定量液壓泵(齒輪泵)1,泵的最高工作壓力由溢流閥2調定,二位二通電磁換向閥3用于泵的卸荷控制。系統的執行器為送藥液壓缸10和裝藥液壓缸11,缸10和缸11的運動方向分別由三位四通電磁換向閥8和7控制;減壓閥4和單向閥5用于凋節和保持缸10的工作壓力;小型直動式溢流閥9用于消除缸11頻繁升降中的液壓沖擊,節流閥6用于缸11的回油節流調速。每次裝藥的重量與缸的行程大小有關,通過調節缸往復路徑上布置的行程開關SQ3和SQ4之間的距離即可實現裝藥重量的控制。
系統的工作原理如下。
藥筒內加滿藥體后,電磁鐵1YA通電使換向閥8切換至右位,液壓泵l的壓力油經減壓閥4、單向閥5和閥8進入送藥缸10的無桿腔,活塞桿左行進藥,電磁鐵3YA通電,換向閥7切換至右位,泵1的壓力油經閥7進入缸11的無桿腔,活塞桿下行裝藥,當活塞桿觸動行程開關s04時,電磁鐵3YA斷電的同時4YA通電,換向閥7切換至左位,泵l的壓力油經閥7進入缸11的有桿腔,活塞桿快速上行,同時送藥缸10向左移動一定距離,送藥桶內的藥體送人裝藥桶(此時,減壓閥出口壓力的減小,即減壓閥進出口壓差增大,系統自動向送藥液壓缸補油,保證了送藥壓力的穩定和自動送藥),行程開關使電磁鐵3YA通電,缸11右下行裝藥,如此循環往復,當送藥筒內的藥體全部裝完后,換向閥7復至中位,缸10的活塞桿觸動行程開關SQl使電磁鐵1YA斷電的同時2YA通電,換向閥8切換至左位,液壓泵1的壓力油經閥4、5、8進入缸10的有桿腔,活塞桿快速退回,當觸動行程開關SQ2時,電磁鐵1YA斷電、5YA通電,換向閥8復至中位、換向閥3切換至下位,液壓泵1通過閥3卸荷,等待向送藥筒加藥結束后開始下一次循環。

圖4-38裝藥機液壓系統原理圖
1-定量液壓泵;2、9-溢流閥;3-二位二通電磁換向閥;4-減壓閥;6-單向閥,6節流閥 7、8-三位四通電磁換向閥;10-進藥液壓缸;11一裝藥液壓缸
(3)技術特點
1)液壓系統采用定量泵供油,用溢流閥設定最高工作壓力;通過減壓閥使送藥缸獲取穩定的低壓,用單向閾保壓,保證了自動送藥及裝藥期間的推力要求。
2)裝藥缸回路采用回油節流調速,有利于提高缸的運動穩定性;通過缸的無桿腔油路設置溢流閥消除頻繁換向的液壓沖擊。
3)通過調整各液壓缸路徑上的行程開關位置,可以方便的得到每次送藥和裝藥的不同重量。
科技帶來強勁動力,泰勒姆斯液壓馬達,靠事實說話。
分類:液壓行業知識
標簽: 液壓馬達

