主機功能結構
高速公路鋼護欄沖孔切斷機是用于高速公路沿線波形梁鋼護欄加工生產的液壓傳動專用設備,其功能為:將厚度為3mm、寬度為481mm的板料(卷材)校平、輸送、定長后同時沖出18個腰形孔并切斷,液壓馬達加工成一定長度[工件最大長度(4320±5)mm],兩端各帶九個腰形孔的半成品板,為后成型工序做準備。
.jpg)
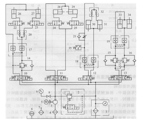
圖1沖孔切斷機液壓系統原理圖
1-單向變量泵;2-單向閥;3-電磁溢流閥;4-冷卻器5-精過濾器; 6、15 -三位四通電磁換向閥;7-單向減壓閥;8-二位三通電磁換向閥;9-單向節流閥; 10-單向調速閥;11-快速接頭;12 -雙向定量液壓馬達;13-節流閥;14-液壓缸
液壓系統及其工作原理
沖孔切斷機的液壓系統原理圖如圖1所示。系統的執行器為用于鋼帶傳輸的雙向定量液壓馬達12和沖孔切斷的液壓缸14(2個),液壓馬達和液壓缸分時工作,即液壓馬達工作時液壓缸停止,反之亦然;系統的油源為單向變量液壓泵1,單向閥2用于保護泵1,電磁溢流閥3用于調定泵的供油壓力并實現卸荷,冷卻器4和精過濾器5用于回油的冷卻和過濾。兩個并聯的液壓缸運動由三位四通電磁換向閥15控制。液壓馬達12帶有機械制動器,馬達的旋轉運動方向由三位四通電磁換向閥6控制,單向減壓閥7用于液壓馬達工作壓力的設定,并聯的單向調速閥10和單向節流閥9,通過二位三通電磁換向閥3控制,可使液壓馬達獲得兩種不同流量及速度,以實現板料在傳輸過程中的快速傳輸和慢速制動,從而保證生產速度并迅速準確制動以及工件切斷后的長度尺寸精度;節流閥13作背壓閥使用。由液壓系統的電磁鐵動作順序表(見表1),容易了解系統在各工況的油液流動路線。
表1沖孔切斷機的液壓系統電磁鐵動作順序
|
||||||||||||||||||||||||||||||||||||||||||||||||||||||||||||||||||
注:只有鋼帶傳輸中出現故障,液壓馬達才反轉,以便使鋼帶退出。
(3)技術特點
1)該機的液壓系統采用變量泵供油,液壓馬達和液壓缸回路分別控制和動作,泵的流量和最高工作壓力按液壓缸的負載壓力和流量確定,液壓馬達的工作壓力通過減壓閥調節和保持恒定。系統等待期間,液壓泵可以卸荷,有利于減小功率損失和發熱。
2)液壓馬達回路通過調速閥和節流閥的并聯,電磁換向閥換接,實現二級速度控制,兩個流量閥可以獨立調節,互不影響;通過三位四通換向閥可以使鋼帶傳輸出現故障時液壓馬達反轉,便于鋼帶退出。背壓節流閥可以避免液壓馬達在小排量工況時產生脈動,使馬達運行平穩;液壓馬達可以通過進口壓力控制機械制動器的制動和開啟。
3)通過電磁溢流閥回油路上設置的過濾器和精過濾器,提高了系統油液的散熱效果和潔凈度,從而提高了系統的工作可靠性。
(4)技術參數(見表2)
表2 沖孔切斷機及其液壓系統的主要技術參數
|
|||||||||||||||||||||||||||||
科技帶來強勁動力,泰勒姆斯液壓馬達,靠事實說話。
本文標題:高速公路鋼護欄沖孔切斷機液壓系統
分類:液壓行業知識
標簽: 液壓馬達

