液壓式預壓機液壓系統
首頁 ? 液壓行業知識 ? 液壓式預壓機液壓系統
    煙草預壓機液壓系統
    液壓式預壓機主要用于煙草行業打葉及復烤生產線上的打包工序,可將經打葉和復烤后處于松散狀態的煙葉壓縮成一定尺寸規格的煙包,以便于后工序包裝和儲運。
    首先煙草預壓機底部的輸送機將空紙箱送人預壓機后,預壓機料箱開始下降,將料箱的底部插在紙箱里。將前方送來的松散煙葉開始被喂料機送至預壓機料箱內,當送人的葉片達到規定的重量時,預壓活塞桿下行,將煙葉壓實在料箱內,兩只提升缸將料箱底部的紙箱提升,壓實的煙葉就被裝到紙箱里。預壓機一般采用雙組立式結構形式,既由兩組預壓缸和料箱放置在一起。當一邊料箱進行喂料時,另一邊就開始進行預壓。
    雙組立式預壓機要滿足生產線的生產要求,物料的輸送及預壓必須不間斷地進行。預壓機是整條線的最后設備,一旦停機就會造成整條線停產,因此對可靠性要求很高。另外,由于煙草屬于食品范圍,液壓系統在使用過程中不得存在外泄漏。這就對液壓系統的設計和制造提出了很高的要求。
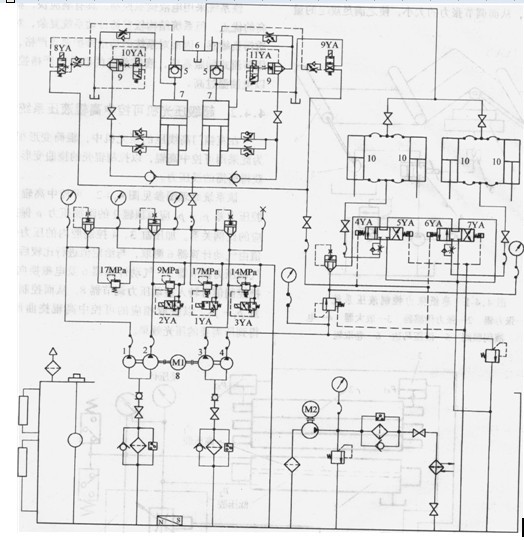
    由于復烤后的煙葉非常松散,打包前后的體積比高達8:1,因此預壓缸行程較長,行程約8m。同時,因受工作周期限制,要求預壓缸的活塞桿需以較高的速度運行。根據預壓機的工作特性,設計出簡單、實用的預壓機液壓系統,圖4.3-9為液壓系統原理圖。
    由于預壓缸活塞桿運動速度較高,為了避免停止時產生沖擊,在行程末端必須將活塞桿的運動速度降低。另外,壓頭完成保壓后,必須慢速離開煙包,在壓頭和煙包完全分離后再快速上升,否則煙包會在大氣壓作用下跳起來,產生所謂的“跳包”現象。因此,預壓缸活塞桿在整個行程上的速度是不一致的,有多級速度變化,該系統中采用兩臺雙聯葉片泵供油,通過對1~3號泵投入數量的增減來控制流量,實現液壓缸的速度變換。
    預壓缸活塞桿、壓頭、導向桿的總重量很大,為了利用這部分重量所產生的勢能,采用了差動增速回路和活塞桿自重增速回路。活塞桿在開始下行時,依靠自重下降,這時會產生液壓泵供油量不足,為避免在液壓缸上腔形成真空,充液閥5自動打開,充液油箱6(置于預壓機最上部)內的油液經充液閥進入液壓缸7上腔,同時,經差動回路使下腔的油液與泵站輸出的油液一同進入液壓缸上腔。當壓頭接觸煙葉以后,上腔壓力逐漸建立,充液閥自動關閉,液壓缸繼續差動下壓。因此,就可以用較小泵的排量來獲得較高的運行速度,縮短了活塞桿下行的時間,并減小了電動機8的驅動功率。
    由于預壓缸在預壓過程中所需的液壓泵供油總量達335L/min,故在液壓缸上腔采用了充液閥,在液壓缸兩腔之間使用了插裝式液控單向閥9來代替換向滑閥,通過對插裝式液控單向閥和充液閥的控制實現了預壓缸的換向。由于兩只預壓缸并不同時工作,因而兩只預壓缸可共用同一油源,使液壓回路和管路大大簡化。同時,插裝閥采用的是線密封,其密封可靠性遠遠好于滑閥,保證了活塞桿不會因泄漏而產生下滑現象。
    在料箱提升缸液壓回路中,依靠料箱自重下落。在料箱提升缸的上腔直接接充液閥,當料箱下落時液壓泵4不供油,靠自重下落,液壓缸10上腔從充液油箱6自動吸油。不僅簡化了管路,還提高了整機的使用安全性。
    為提高液壓系統的可靠性,根據系統特點,采用了獨立循環冷卻過濾系統,一方面可以不斷地對系統油液進行過濾,另一方面對油液進行冷卻,防止油溫過高而加速油液變質,縮短油液的使用壽命,增加液壓系統的泄漏。使液壓系統的油液始終控制在最佳工作狀態中。
    在預壓機液壓系統中不僅采用了滑閥也使用了插裝閥。一般大流量的方向閥和單向閥采用插裝閥,而小流量的方向閥使用滑閥和球閥,這樣使得整個液壓系統結構緊湊、便于維修,并減少了泄漏,提高了液壓系統的可靠性。
 
   圖4.3-9預壓機液壓系統原理圖
為防止本液壓系統中的主溢流閥在大流量、高壓情況下卸載時,由于閥芯動作太快所造成較大的液壓沖擊。為防止此類問題發生,采用DENISON公司生產的軟切換式電磁溢流閥,可明顯降低閥芯動作速度,有效地降低了卸載時的液壓沖擊。
液壓站由油箱、液壓泵、電動機、控制閥組、循環過濾冷卻系統、液位控制器、液位顯示器、油溫顯示控制器等部分組成。油源由兩臺雙聯泵向系統提供液壓油。液壓泵組采用同時供油或部分卸載的方式實現了預壓缸速度的轉換。吸油過濾器帶有單向閥,拆卸濾芯時不需放掉液壓箱內的油液就可以進行操作。為了降低管路振動,在泵的出口及泵源閥塊的出口設置了高壓軟管。給用戶在維修時帶來了方便,在需維修的關鍵部位設置了高壓球閥。
    該預壓機液壓系統具有裝機功率低、管路簡單、結構緊湊、系統可靠性高、工作效率高等優點。

本文標題:液壓式預壓機液壓系統


分類:液壓行業知識
標簽: