飼料壓塊機液壓系統
首頁 ? 液壓行業知識 ? 飼料壓塊機液壓系統
    根據畜牧業的需要和飼養對象的不同,需采用專用自動飼料壓塊機生產出各種不同營養成分的飼料塊供動物食用。液壓全自動型飼料壓塊機的研制成功,滿足了飼料生產企業對生產設備的要求。
    如圖4.3-2所示,該機由主機3、液壓站1、閥塊5、控制箱4和下機架2等五部分組成。主機3以45°傾角安裝于下機架2上。主缸(壓料缸)、門缸、控制門、門栓及壓模腔五大總成構成主機工作機構。主缸和門缸分別位于壓模腔的上下兩端。
 
圖4.3-2液壓全自動型飼料壓塊機外型結構圖
    工作開始時,主缸活塞處于上端位置,門缸活塞處于下端位置并使控制門處于關閉狀態,此時通過進料口向壓模腔進料。進料完畢,主缸便開始壓料。料塊被壓制好后,門缸活塞回到上端位置,控制門打開,主缸將被壓制好的料塊推出并回到上端位置。至此,主機便完成了一個工作循環。
    為保證操作上的安全可靠,控制門除在出料時被打開外,在進料至壓制的整個過程中始終處于關閉狀態。控制門關門到位后由門栓將控制門鎖死。
    門栓總成主要由門栓及門栓柱塞回路組成.。門栓柱塞回路用來保證門栓及控制門的協調動作并保證控制門不被卡死。關門時先關門到位后,門栓到位并鎖定;開門時則先拔門栓后開門。
    液壓站由液壓控制系統和冷卻循環過濾系統組成。它與主機、及電氣控制部分組成電液自動控制系統。
    閥塊安裝于下機架上。其上集成了五個兩通插裝閥,四個兩位四通電磁閥和一個三位四通電液閥,構成液壓系統主控閥塊,是整個系統的核心部件。
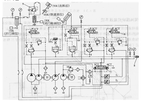
    液壓系統原理如圖4.3-3所示。液壓控制系統主要由兩通插裝閥1~5電液閥7和電磁閥6組成。直動式順序閥9及單向閥構成門栓柱塞控制回路。10為直動溢閥,8為壓力繼電器。
    電控部分主要由定時器、繼電器、及信號開關組成。由于液壓回路中設置了壓力繼電器,主缸由快進轉為工進和由保壓到卸壓均有時間控制和壓力控制兩種方式可任意選擇。當壓力繼電器動作時,3CT繼續通電,1CT、2CT斷電,主缸將完成工況之間的轉換。
    為方便使用,特設置有自動和手動兩種操縱方式,當全自動連續工作時,其工作循環包括進料、快進、工進、保壓、卸壓、開門、出料、關門及快退九個工序。循環工作過程可用圖4.3-4所示框圖表示。框圖中的電磁鐵及信號開關代號均與液壓系統原理圖4.3-3中的代號相對應。
圖4.3-3飼料壓塊機液壓系統原理圖
  主要特點:
    1)結構簡單新穎,使用方便,操縱靈活,工作安全可靠,使用壽命長。
    2)采用電液自動控制系統,生產完全實現了自動化。并備有手動操縱方式,供檢查調整及維修保養時使用。
    3)采用兩通插裝閥技術使液壓系統高度集成化,結構緊湊,工作可靠,動作靈活,壽命長,維修保養方便。
    4)壓制力大,壓塊成型率高。
    5)溫升低,密封可靠。適用長時間連續生產。
6)全部采用優質國產元、器件,貨源充足,質量可靠,成本低廉。

本文標題:飼料壓塊機液壓系統


分類:液壓行業知識
標簽: