高爐泥炮液壓系統
首頁 ? 液壓行業知識 ? 高爐泥炮液壓系統
     泥炮是用來堵塞高爐出鐵口的專用設備。液壓泥炮的結構原理如圖1所示。打泥油缸4直接推動泥缸,將泥料經吐泥口注入出鐵口。壓炮缸3推動移動吊掛小車,可使打泥油缸進入或離開工作位置。打泥口處在工作位置時,錨鉤缸1使打泥口穩定在工作位置。擺動液壓馬達2可使整個泥炮轉離工作位置。泥炮的動作都由液壓動力完成的。圖1為泥炮的液壓系統圖。圖中17打泥液壓缸由系統直接供一次高壓油,壓炮缸18、錨鉤缸19、擺動液壓馬達20由減壓后的二次壓力供給。當進入打泥程序時一部分高壓油進入壓炮缸,用以使壓炮缸提高平衡力。各執行機構分別由手動換向閥獨立操作。為了使壓炮缸負載下滑作用減小,在下滑側油路上加單向節流回路。
圖1  液壓泥炮結構原理
圖1泥炮液壓系統圖
    煉鋼電弧爐液壓系統
    煉鋼電弧爐是利用三相炭質電極與物料之間形成的高溫電弧對金屬材料進行熔化、冶煉的設備。圖2為煉鋼電弧爐結構示意圖。爐體1是一個有耐火材料內襯的容器,爐體前有爐門4,爐體后有出鋼槽5。煉鋼電弧爐以廢鋼為主要原料。加廢鋼等物料時必須先將爐蓋2移開,從爐體上方加人物料,然后蓋上爐蓋,插入電極12進行熔煉。6表示爐蓋升降液壓缸,7為爐蓋旋轉液壓缸。在熔煉過程中,可以從爐門加入鐵合金等各種配料,8為爐門升降液壓缸。出渣時,爐體向爐門方向傾動約12。,使鋼水表面的爐渣從爐門溢出,流到爐體下的渣罐中。爐內熔煉的鋼水其成份和溫度達到合格標準后,打開出鋼口,將爐體向出鋼槽方向傾動約45。,使鋼水從出鋼槽流入鋼水包。圖中9表示爐體傾動液壓缸。電爐在熔煉過程中要保持電極與物料之間的電弧長度穩定,每一相電極各有一套獨立的電液伺服控制裝置3,圖中10為一相電極的伺服液壓缸,11為電極夾緊液壓缸。
圖2煉鋼電弧爐結構示意圖
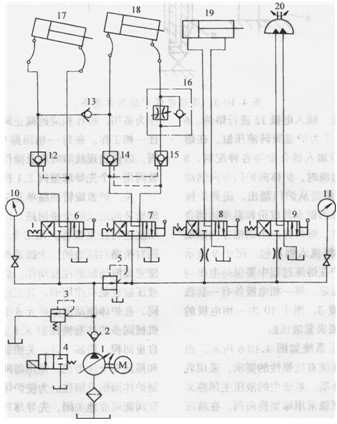
    煉鋼電弧爐的液壓系統如圖3所示。由于煉鋼電弧爐對液壓系統有抗燃性的要求,采用乳化液作為液壓系統的介質。系統中的液壓主回路采用插裝閥,其先導控制級采用球型換向閥。在液壓動力單元l中,選用兩臺徑向柱塞式液壓泵,其中一臺備用,蓄能器為乳化液與空氣直接接觸式,用空氣壓縮機向蓄能器定期充氣。系統工作壓力由插裝閥壓力控制單元1.1調定,3為分別帶動三相電機升降的三個柱塞式伺服液壓缸。它們由電極伺服控制回路單元2控制。在單元2中有三臺電液伺服閥分別控制三個伺服液壓缸,另有一臺電液伺服閥作為備用。操作相應的截止閥可使備用伺服閥投入任一相工作。在每一相回路中分別并聯手動換向閥,以便出現故障時應急操作。單元2中的六個插裝閥用一個先導球型閥2.1控制,以便完成回路的開、關。爐蓋旋轉回路單元7是用四個具有開關功能插裝閥組成的全橋回路。用回路7對爐蓋旋轉液壓缸進行往復操作。用二個先導球閥7.1,7.2分別對橋路對應邊的二個插裝閥進行開、關控制,以便完成液壓缸的往復動作。爐門升降回路單元4的液壓缸也是雙作用的,其工作情況與回路單元7相同。在爐體傾動回路單元8中,爐體傾動是由兩個機械同步的柱塞液壓缸8.1完成的,靠液壓頂開,自重回程。用四個開、關插裝閥(從流量通過能力和提高安全性考慮,采用每兩個插裝閥相并聯)控制爐體傾倒及回位。為使爐體停位可靠,即要求插裝閥能可靠地關閉,先導球閥前裝有梭閥8.2。一旦發生壓力源終斷時,爐體自重在柱塞缸中所產生的壓力,通過梭閥也能使插裝閥及時關閉。爐蓋升降回路單元6的工作情況與單元8相同,液壓缸6.1也是柱塞液壓缸。電極夾緊回路單元5中有三個電極夾緊柱塞液壓缸5.1,靠彈簧力夾緊,液壓力松開。每一相夾緊液壓缸分別用兩個具有開、關功能的插裝閥進行控制。
圖3煉鋼電弧爐液壓系統圖
    圖4為煉鋼電弧爐電極伺服控制系統工作原理圖。圖中只表示了其中一相電極的工作情況。在炭質電極1與爐體內物料2之間形成弧長為H的電弧,其變化量可由伺服液壓缸3的位移xp進行控制。柱塞缸3由電液伺服閥4控制。電弧爐工作時其弧長值可用弧電流厶和弧壓降Uh來反映,弧電流信號經電流互感器5及橋式整流電路后加到平衡電阻6上;弧電壓信號由電壓互感器7取出,經橋式整流電路后加到平衡電阻8上。當弧長為給定值時,平衡電限兩端口、6無電位差,因此,輸入電液伺服閥的電流ISv為零,伺服閥處于中位,柱塞缸及其所帶動的電極不發生移動。當電弧長度大于給定值時,弧電流減小而弧壓降升高,平衡電阻上6點電位高于a點電位,伺服閥得到反向電流-ISy,因而使液壓缸連同電極一起下降,直到電弧長度回減到給定值為止。當電弧長度小于給定值時,過程反向進行到弧長回增到給定值為止。煉鋼電弧爐在整個熔煉過程中物料由固態變為液態,在固態時物料表面參差不齊,電極下物料表面標高用L表示。物料塌陷會使電弧突然拉長,可能造成斷弧現象;電極周圍物料崩落埋住電極,可能造成短路現象。因此,電極液壓伺服系統必須能快速反應以避免上述兩種現象發生。電弧爐在精煉期物料已變成液態,有時對鋼水進行攪拌也會使液面波動。此外,電極在燃燒過程中也要不斷燒蝕,其燒蝕量以y表示。可見,當電弧爐工作時,弧長H給定后,由于標高L的變化和燒蝕量y的變化都會使實際的弧長發生變化,如果液壓缸行程xp。對這些變化的補償有足夠的響應速度和精度,那么電弧的實際長度就能保持不變,從而滿足煉鋼工藝的要求。
    圖4 .10 -8為煉鋼電弧爐電極液壓伺服控制系統的方框圖。當電控器中弧電流和弧壓降信號的放大倍數調定后,給定的弧長值Ho也就確定了。當實際弧長H與給定弧長Ho出現偏差ΔH后電控器平衡電阻的兩端ab就有電流Isv翁入電流伺服閥,電液伺服閥控制流到液壓缸的流量使之產生位移Xp,標高L和燒蝕量y是作為實際弧長的干擾量而加入系統的。在圖中所示的閉環控制系統中,合理地選擇系統的有關參數,就能滿足系統動、靜態特性的要求。
圖4 煉鋼電弧爐電極伺服控制系統原理圖
    圖5煉鋼電弧爐電極液壓伺服控制系統控制方框圖
 

本文標題:高爐泥炮液壓系統


分類:液壓行業知識
標簽: