采煤機液壓系統
首頁 ? 液壓行業知識 ? 采煤機液壓系統
  現代綜合機械化長壁采煤工作面上大都采用滾筒式采煤機采煤。其外形結構如圖4.8-4所示。圖中,3為搖臂,4為擋煤板,5為切割部減速箱,6為電動機,7為控制箱,8為液壓牽引部,10為調高液壓缸,11為調料液壓缸。在割煤滾筒1的螺旋形葉片上裝有截齒,當滾筒在煤壁內旋轉時,便可將煤切下,并裝入工作面刮板輸送機2的溜槽中運走。采煤機騎在輸送機的槽幫上。沿工作面全長有一條張緊的牽引錨鏈,它與采煤機牽引部的牽引鏈輪9相嚙合,鏈輪轉動,就牽引著采煤機沿煤壁往復運動,連續采煤。
圖4.8-4采煤機外型結構示意圖
    采煤機的工作條件惡劣、傳動功率大而工作空間又極受限制,故要求其傳動部件的單位功率的質量愈小愈好;又因它的移動速度低而負載大,故其牽引部必須具有很大的傳動比(凈250~300)和牽引力(12~40tf),并要求能夠進行無級調速。要求整個系統具有完善可靠的安全保護功能和操作靈活方便。這種傳動系統采用液壓傳動和控制是適宜的。
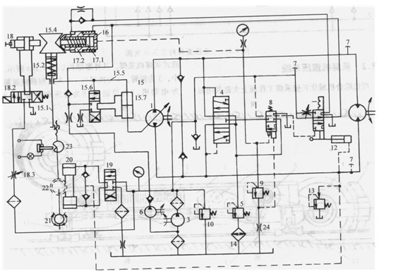
    采煤機的液壓系統見圖4.8-5。主泵1為具有恒功率變量機構的斜軸式軸向柱塞泵,馬達2為與主泵同規格的斜軸式定量柱塞馬達。
    主泵恒功率變量機構的結構與通用系列產品不同,它包括泵位調節器、液壓恒功率調節器和電動機恒功率調節器三個部分。
    泵位調節器15實際上是一手動伺服變量機構,包括調速桿15.1、大彈簧15.2、彈簧套15.3和V形槽板15.4、反饋杠桿15.5、伺服滑閥15.6和變量活塞15.7。在大彈簧尚未壓縮的自由狀態下,調節器各個零件所處的位置都對應于泵位的零位。搖動手柄21或轉動齒輪22,通過絲杠、螺母推動調速桿上、下移動,便可在任一方向上壓縮大彈簧。假設其壓縮量為xo,這時如果開關活塞16處于右位(解鎖)松開V形槽板,則V形槽板將在大彈簧力的作用下也沿相同的方向(如圖向上或向下)移動x0。位移xo又通過反饋杠桿推動伺服滑閥,從而使變量活塞移動xp。于是主泵便以與此相應的方向和排量工作。因此,可以直接利用泵位調節器對馬達進行手動調速和換向。但實際上只用它作為系統運行速度和運動方向的給定裝置,而利用液壓恒功率調節器和電動機恒功率調節器在給定的速度范圍內進行自動調速。
    液壓恒功率調節器17由裝在開關活塞16中的一個小柱塞17.1和平衡彈簧17.2構成。小柱塞一端與系統的高壓側相通,所受的液壓力與彈簧力始終相平衡。故小柱塞的伸出距離x1與系統的液壓力成正比,它實際上就是系統的壓力反饋測量裝置;電動機恒功率調節器18包括一個行程可調的小活塞和一個三位四通電磁閥18.2。這兩個調節器的柱塞軸線和油塞軸線在同一直線上,并與主泵的零位相對應。電磁閥18.1由電流反饋系統測得的電流信號控制,是一個具有死區的繼電器型非線性控制環節。小活塞的外伸距離為z:。此系統主要環節的方框圖如圖4.8-6所示。圖中xo為給定位移,x1為液壓恒功率調節器的位移,X2為電機恒功率調節器的位移,xi=xo-x1-x2xf為反饋杠桿位移,xv= xi -xf,qv為伺服閥流量,xp為變量活塞位移,α為變量機構轉角,npMp為泵輸入的轉速和力矩,p、q為泵輸出的壓力和流量,nm、Mm為液壓馬達輸出的轉速和力矩,i為電動機恒功率調節器的控制電流。
圖4.8-5采煤機液壓系統圖
    系統工作時,開關活塞在低壓控制油的作用下總是處于最右邊的松開位置,泵位調節器的V形槽板便在大彈簧的作用下向著預先給定的方向如圖向上或向下移動xo距離(即V形槽板的位置偏離二功率調節器的活塞軸線的距離為z。),使主泵以相應的排量工作。隨著系統液壓力上升,液壓恒功率調節器的小柱塞17.1逐漸外伸,其端部壓向V形槽的側面,迫使V形槽板帶動伺服滑閥向主泵排量減少的方向運動,系統自動減速,其調節規律近似恒功率特性。當系統壓力足夠高時,小柱塞完全伸出,迫使V形槽板回到零位,系統自動停止牽引。這時如果系統壓力下降的話,小柱塞又將在平衡彈簧作用下收縮,放松V形槽板而使系統增速。
    實踐證明,采煤機牽引部消耗的功率雖然僅為全部功率的10%~15%,但是電動機的總輸出功率與其牽引速度成正比。因此,通過調節牽引速度亦可調整電動機的總輸出功率。當電動機超載運轉時(負載電流i大于額定電流io的1.05倍),電動機恒功率調節器的電磁閥18.2處于左邊,小活塞外伸,迫使V形槽板向著主泵排量減少的方向運動,系統自動減速,電動機功率隨之下降。當i≤1.05io時,閥18.2復到中位,小活塞自由浮動,不影響液壓恒功率調節器17對槽板的控制。電動機保持滿載工況。如果電動機長時間超載運轉,則小活塞就可能完全伸出,而迫使采煤機停止牽引;當電動機欠載運轉時(i<0.95i。),電磁閥18.2處于右位,小活塞收縮,放松V形槽板而使系統增速,電動機功率亦隨之增加。顯然,電動機滿載工況就是繼電器型非線性控制環節的死區。為了避免小柱塞運動速度過快,致使系統增速(或減速)的加速度過大,在小活塞的進油路設有一個可調節流器18.3,將系統的減速時間,調整為20s左右;并利用小活塞兩端的有效面積不同,使系統的增速時間約為減速時間的1.8倍。
    開關活塞16的位置由開關閥11控制。開關閥位于上位時,開關活塞左移(外伸),壓迫V形槽板,使泵位調節器回零(上鎖),系統停止牽引;開關閥位于下位時,則開關活塞右移(收縮),松開V形槽板(解鎖),系統便以給定的牽引速度和牽引方向開始工作,并根據載荷的變化自動調速。
    開關閥具有兩種操作方式:即手動直接操作和用液壓缸12操作。閥端的低壓控制油液既能對開關閥的工作位置起控制作用,又能對系統起低壓保護作用。即當低壓控制系統失壓(≤0.5MPa)時,開關閥就在彈簧力的作用上復位,開關活塞上鎖,系統停止牽引。
    液壓缸12由電磁閥19控制。閥19同時還控制齒條活塞液壓缸20,通過齒輪、絲杠調節泵位調節器,以調定牽引速度,其作用與手柄21相同。
由于開關閥操縱缸的控制油液是通過齒條活塞的中
心軸向外輸送的,因此,閥19啟動后,首先就推
動操縱液壓缸打開開關閥解鎖,然后才使齒條活塞
運動,給定牽引速度或換向。操縱缸只能單向運動
解鎖,不能上鎖。欲停止牽引時,還需手動操作開
關閥11復位,這個動作同時也迫使操縱缸復位,
油液經溢流閥13(調定壓力為1.5MPa)返回油
箱。電磁閥19是用按鈕控制的,在此基礎上可以
實現無線電遙控。
圖4.8-6采煤機液壓控制系統方框圖
    為了避免換向操作時系統突然反向運轉,在絲杠軸上裝有一個開關圓盤23,盤周邊開有一個缺口,當插銷落入此缺口中時,信號燈亮,電磁閥19的電源切斷,表示主泵已到達零位,系統原方向的牽引運動停止。然后繼續反向搖手柄或啟動反向按鈕,才能實現系統換向和給定牽引速度。
    超壓關閉閥8和高壓安全閥9用于系統超壓時的快速保護。當系統壓力達到其額定壓力
(15MPa)時,超壓關閉閥8下位工作,泵3來的油斷路。開關閥上位工作,開關活塞16左腔通油箱,開關活塞16迅速上鎖,系統停止牽引;同時系統的高壓油經閥8、閥5回油箱。高壓油路壓力降低,超壓關閉閥又自動復位,使系統又處于待啟動狀態。如果超壓關閉閥由于故障而在調定壓力下不能及時動作,則系統壓力將繼續升高而使高壓安全閥9開啟(其調定壓力略大于15MPa)溢流,保護系統;同時由于節流孔24的作用,還有約4MPa的壓力加于超壓關閉閥下端,加力使它動作。
    輔助泵3、單向閥組、節流閥4、背壓閥5與冷卻器14構成了系統的熱交換回路。背壓閥5的調定壓力為1.5MPa,為系統提供低壓控制油液,溢流閥10的調定壓力為2.5MPa。手動充油泵6給系統啟動前充油,同時經排氣孔7排除系統中殘留的氣體。
    采煤機牽引部液壓系統的控制比較復雜、結構很緊湊、元件的集成化程度高、專用性強。因此,在保持和改善系統的控制性能指標的前提下,應當不斷簡化系統結構,盡量采用通用液壓元件,特別是采用具有通用變量機構的液壓動力元件,以加速采煤機的研制周期,降低其生產成本。
    在煤層水平傾斜角α≥9°時為防止采煤機下滑需要用安全絞車加以保護。安全絞車靠液壓系統控制。恒壓泵的工作壓力恒定,恒壓泵帶動徑向液壓馬達,馬達帶動絞車,絞車上纏繞采煤機牽引鋼絲繩。
采煤機上行采煤時,泵向馬達供油,馬達正轉,絞車纏繞鋼絲繩。正常工作時絞車鋼絲繩和采煤機牽引線速度相等。系統壓力恒定。若有微小差異,系統壓力有變化,恒壓泵可自動調節絞盤轉速使二者線速度相同。若采煤機突然下滑則液壓馬達處于泵狀態,系統壓力升高,鋼絲繩牽引力加大防止采煤機下滑。若下滑超速時,泵和采煤機停止運轉,液壓機械系統使絞車制動。采煤機下行采煤時,泵保持恒壓,馬達也處于泵狀態,此時采煤機的牽引速度和絞車放繩速度一致。

本文標題:采煤機液壓系統


分類:液壓行業知識
標簽: