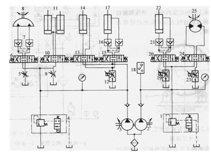
林木球果采集機器人屬示教再現型機器人。它的移動機構采用J-50拖拉機。它的機械手為5個自由度全液壓驅動的機械手,由計算機與電液比例調速閥進行電液比例控制。機械手電液比例控制系統工作原理如圖4.2-8所示。
機械手的5個自由度分別由回轉馬達25、大臂缸22、小臂缸17、腕部缸14和擺動缸8來控制。液壓缸11為梳齒狀采集爪的開合缸。梳齒狀采集爪寬0.5m、長0.85m,為上下2片,可開合。用它來抓取球果。下梳齒左右兩側最外面一齒是新月型側板,以防止摘下的球果從兩側滾出去。該機械手電液比例控制系統為雙泵雙回路電液比例控制系統。其中2、3為雙聯高壓齒輪泵,由J-50拖拉機的發動機直接驅動。1、4為電磁溢流閥,它的作用是當電磁鐵失電時為泵2、3工作,系統可調壓,電磁鐵得電時電磁溢流閥1、4使泵2、3分別卸載。全部電器元件均由24V蓄電池供電。左邊擺動缸8、開合缸11、小臂缸17及腕部缸14由泵3供油,為一獨立系統。右邊大臂缸22、回轉馬達25由液壓泵2供油,為另一獨立系統。
圖4.2-8機械手電液比例控制系統工作原理圖
擺動缸8是驅動采集爪左右擺動的,由電磁閥6來控制,單邊擺動角度為135°,擺動速度由節流閥5來調節。閥7、16、21為雙向液壓鎖,是使采集爪擺動后定位之用的。缸11為采集爪開合缸,由電磁閥10來控制。最大開度為上下兩齒間距0.9m,由節流閥9來調節其開合時的運動速度。腕部缸14控制采集爪的俯仰,上下俯仰角可達90°。小臂缸17由電磁閥15來控制。由于腕部和小臂缸一般不同時工作,故采用同一電液比例調速閥12進行控制。大臂缸22由電磁閥20來換向,由電液比例調速閥19進行控制。從而構成雙泵雙回路的電液比例控制系統。該系統負責控制工作中的小臂或大臂與腕部之間的協調動作。回轉馬達25通過蝸輪蝸桿和齒輪齒圈減速器驅動回轉盤并帶動機械手左右回轉。它的工作速度由節流閥23來調節,轉動方向由電磁閥24來控制。壓力繼電器18是對大臂缸22進行過載保護的,當其作業過程中發生過載時即可發出電信號使泵卸載。
林木球果采集機器人到達作業現場后,機械手自動作業程序如下:
1)起動——將發動機與泵的離合器接合,按下起動鍵。這時電磁溢流閥l、4通電,使泵2、3處于待工作狀態(卸荷狀態);
2)起升定位——小臂先運動,大臂稍滯后2~3s運動,兩臂協調動作使采集爪直線上升達到作業高度;
3)回轉定位——當采集爪達到作業高度時,由回轉馬達使采集對準作業樹枝;
4)爪俯仰——由腕部缸調整采集爪的俯仰角對準作業樹枝;
5)爪擺動——由擺動缸調整采集爪的傾斜角對準作業樹枝;
6)爪張開——由開合缸控制采集爪張開;
7)向前抓取——由大、小臂缸協調動作,使采集爪沿樹枝生長方向伸向樹枝;
8)爪閉合——達到作業深度后采集爪閉合;
9)向后作業——由大、小臂缸協調動作,使采集爪沿樹枝生長方向向外擼,將球果擼下;
10)爪仰起——由腕部缸控制采集爪仰起到最大高度,使球果沿管道滾入集果箱中;
11)降工位——下降一定高度對準下一作業樹枝,重復作業程序6~10的動作;
12)轉工位——由回轉馬達驅動采集爪對準另一棵樹重復作業程序2~11的動作或對準支撐架準備停機。
13)停機——降至最低位后,將大臂先落下,小臂稍滯后2~3s落下。
脫開發動機與液壓泵的離合器,停泵關機。
以上機械手各作業程序都由計算機通過電液比例系統的電磁換向閥,電磁溢流閥與電液比例調速閥控制各執行器來完成的。計算機對上述作業過程有“記憶”功能,如不重新調整,將按前次作業過程重復再現。
|
≥≮
|
回轉
|
大臂
|
小臂
|
腕部
|
擺動
|
開合
|
比例閥
|
卸荷閥
|
液壓泵
|
|
左
|
右
|
升
|
降
|
升
|
降
|
仰
|
俯
|
左
|
右
|
開
|
合
|
19
|
12
|
1
|
4
|
2
|
3
|
|
1
|
起動
|
|
|
|
|
|
|
|
|
|
|
|
|
|
|
+
|
+
|
+
|
|
2
|
起動定位
|
|
|
|
+
|
|
+
|
|
|
|
|
|
|
+
|
+
|
|
|
+
|
|
3
|
回轉定位
|
±
|
+
|
|
|
|
|
|
|
|
|
|
|
|
|
|
+
|
+
|
|
4
|
爪俯仰
|
|
|
|
|
|
|
±
|
+
|
|
|
|
|
|
|
+
|
|
十
|
|
5
|
爪擺動
|
|
|
|
|
|
|
|
|
±
|
+
|
|
|
|
|
+
|
|
+
|
|
6
|
爪張開
|
|
|
|
|
|
|
|
|
|
|
+
|
|
|
|
+
|
|
+
|
(續)
|
遮
|
回轉
|
大臂
|
小臂
|
腕部
|
擺動
|
開合
|
比例閥
|
卸荷閥
|
液壓泵
|
|
左
|
右
|
升
|
降
|
升
|
降
|
仰
|
俯
|
左
|
右
|
開
|
合
|
19
|
12
|
1
|
4
|
2
|
3
|
|
7
|
向前抓取
|
|
|
|
+
|
+
|
+
|
|
|
|
|
|
|
+
|
+
|
|
|
+
|
|
8
|
爪閉合
|
|
|
|
|
|
|
|
|
|
|
|
+
|
|
|
+
|
|
+
|
|
9
|
向后作業
|
|
|
+
|
|
千
|
±
|
|
|
|
|
|
|
+
|
+
|
|
|
+
|
|
10
|
爪仰起
|
|
|
|
|
|
|
+
|
|
|
|
|
|
|
+
|
+
|
|
+
|
|
11
|
降工位
|
|
|
|
+
|
|
+
|
|
|
|
|
|
|
|
|
|
|
+
|
|
12
|
轉工位
|
±
|
+
|
|
|
|
|
|
|
|
|
|
|
|
|
|
+
|
+
|
|
13
|
停機
|
|
|
|
|
|
|
|
|
|
|
|
|
|
|
|
|
|
|
由于林木球果采集作業對動作精度不高,同時為了降低生產成本,便于推廣應用,故采用開環控制的計算機數字程序控制系統。其控制參數有6個電磁換向閥為12個開關量,加2個電磁溢流閥,共14個開關量,2個電液比例調速閥為兩個所示。
林木球果采集機械人是由計算機控制的電液比例系統,能夠完成林木球果采集作業中的各種動作要求。性能良好,動作穩定。
圖4.2-9林木球果采集機器人計算機數字程序控制系統框圖
本文標題:
林木球果采集機械手液壓系統
分類:
液壓行業知識
標簽:
液壓系統 液壓馬達