液壓系統應用——塑料(二)
首頁 ? 液壓行業知識 ? 液壓系統應用——塑料(二)
    注塑機是用于制造成型的塑料制品的設備。該類設備由于成型工藝較為復雜,成型過程中的作用力較大,一般多采用液壓系統。
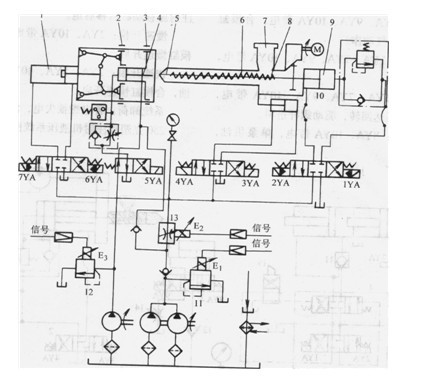
    XS-ZY-250A型注塑機液壓系統
    注塑機的工藝流程一般可歸納為:合模、注射座前移、注射、保壓、冷卻、預塑、開模、頂出塑件、頂桿退回幾個步驟。
圖4.7-4所示液壓系統采用電液比例閥控制合模、開模(1#液壓缸),注射座前移(10#液壓缸),注射(9#液壓缸),頂出(4#液壓缸)。工作過程中的壓力,采用電液比例溢流閥進行調節。而開合模及注射速度則由電液比例調速閥進行控制。
    該系統動作原理如下:
1)合模過程,比例電磁鐵E1、E2、E3得電,控制相應的壓力與流量,7YA帶電,合模缸(1#)左移。鎖模時E1失電,雙聯泵卸荷。
     2)注射座前移,此時E2、E。工作,3YA帶電,壓力油液進入注射座移動缸(3#)右腔,推動注射座完成前移動作。
     3)注射,E1、E2、E3均工作,1YA帶電,壓力油驅動注射缸工作。
圖4.7-4 XS-ZY-250A型注塑機液壓系統原理圖
    4)保壓,E1失電,雙聯泵卸荷,其余同上。   
    5)預塑,E2、E3工作,3YA帶電,注射座在液壓缸3的驅動下前移。
    6)注射座后退,E2、E3工作,4YA帶電,注射座在液壓缸3的驅動下后移。
    7)啟模,各泵同時工作,E1、E2.E3得電,電磁鐵6YA帶電,壓力油進入合模缸有桿腔驅動合模機構開啟。
    8)頂出,此時E2帶電,油液經二位四通換向液壓右位(5YA帶電)進入頂出液壓缸,完成頂出動作。
    9)螺桿后返,E2、E3帶電,雙聯泵供油,此2YA帶電,油液進入注射缸有桿腔,驅動螺桿右移,返回初始位置,準備下一動作循環。
    該系統特點:
    1)采用比例控制技術,可實現對系統壓力、速度的靈活控制,使系統的結構大為簡化。
    2)采用電磁換向閥與電液換向閥,可實現與電氣系統的良好連接,從而實現工作過程中的全自動控制。

3)由于采用電液比例控制閥,因而在系統工作過程中,壓力變換及速度轉換時的沖擊較小,系統工作較為平穩,噪聲較小。、

4)系統的工作效率較高。

4.7.3 250克塑料注射機液壓系統
    本液壓系統由液壓馬達驅動螺桿旋轉,采用專用的增壓缸來獲得較高的鎖模壓力,結合卸荷機能的換向閥,可大大提高系統的工作效率,達到顯著的節能效果。
    系統動作過程如下:
    合模過程,第一階段快速合模時,1YA、SYA.10YA同時帶電,雙泵供油,驅動合模缸快速前移。第二階段,SYA失電,此時單泵供油,合模缸實現慢速合模動作。
    鎖模過程,1YA、7YA、10YA帶電,壓力油進入增壓缸,產生很大的鎖模壓力。
    注射座前移過程,7YA、9YA、10YA帶電,在高壓鎖模的同時,注射座移動缸左移。
    注射,此過程中,4YA、SYA、7YA、9YA.10YA帶電,雙泵供油,驅動注射缸進行注射動
作。
    注射保壓過程,4YA、7YA、9YA、10YA帶電,單泵供油,保持注射缸的壓力。
    減壓過程:2YA、9YA、10YA帶電,合模缸失壓,完成減壓排氣動作。
    再增壓過程:1YA、7YA、9YA、10YA帶電,合模缸再次壓緊。
    預塑進料:6YA、7YA、9YA、10YA帶電,單泵供油,液壓馬達回轉,驅動螺桿進料。
    注射座后退:8YA、10YA帶電,單泵供油,注射座移動缸右移后退。
    慢速開模:2YA、10YA帶電,單泵供油,合模缸慢速開啟。
    快速開模:2YA、SYA、10YA帶電,雙泵供油,合模缸快速開啟。
    系統卸荷:各電磁鐵失電,溢流閥卸荷。
    250克塑料注射機液壓系統圖參見圖4.7-5。
圖4.7-5 250克塑料注射機液壓系統原理圖

本文標題:液壓系統應用——塑料(二)


分類:液壓行業知識
標簽: