遙控式裝載機采用液壓驅動、液壓操縱、電氣控制的輕型裝載機。該機轉彎半徑小,鏟入力大,掘起力強。特別適合于空間狹小的工作環境。由于該機具有有線遙控功能,因此也適合工作條件惡劣、對人體有害或污染嚴重的工作環境。
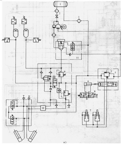
圖1所示為遙控裝載機操作機構的液壓系統原理圖。
操作機構的液壓控制系統采用了比例控制技術,大臂和鏟斗液壓缸的運動速度由優先閥和電液比例閥控制,這使得工作裝置在裝卸過程巾運動更加平穩。圖1b所示為遙控裝載機行走機構的液壓系統原理圖。
該裝載機的行走部分為可實現無級調速的二次調節液壓控制系統。恒壓變量泵由發動機通過變速箱驅動,泵輸出的高壓油驅動變量馬達旋轉,變量馬達通過減速箱驅動行走輪。系統中的安全閥組是保護系統安全的,當系統壓力超過額定壓力時,電控系統會發出控制信號,使電磁溢流閥動作,變量泵卸荷。設備行走的速度由控制手柄控制,控制手柄給出的是電信號,控制器使液壓馬達實現無級調速。
TV180型推土機液壓系統
TY180型推土機的液壓系統可分為操作裝置和轉向系統兩大部分。操作裝置主要由松土液壓缸11和推土液壓缸12這兩個執行機構組成。圖6a所示為TY18O型推土機操作裝置的液壓系統原理圖。
系統液壓泵采用了CB-F32C齒輪泵。閥4為先導式溢流閥,調定整個液壓系統的壓力,系統的工作壓力為14MPa。溢流閥9用來限制松土液壓缸的最高壓力,以免當外負載過大時破壞液壓元件。
當推土換向閥8和松土換向閥10都處于中位時,液壓缸閉鎖,液壓泵卸荷。為避免壓力沖擊,系統中設置了補油閥7,當液壓缸活塞運動速度過快,泵供油不足時,補油閥開啟以免液壓缸吸空。當推土換向閥8處于右位時(H形機能),推土液壓缸12處于自由狀態,這時推土板可隨地面起伏而作上下浮動。
圖1 TY180型推土機的液壓系統原理圖
1- 油箱2-過濾器3一液壓泵4一溢流閥5-回油過濾器6-低壓溢流閥7一補油單向閥8一推土控制換向閥9一安全閥10一松土控制換向閥11-松土液壓缸12-推土液壓缸
圖2、TY80型推土機轉向液壓系統原理圖
1-油箱2-過濾器3-液壓泵4-過濾器5一旁通閥6右離合器液壓缸7一右轉向控制閥8-主溢流閥9-左轉向控制閥 10-左離合器液壓缸11-潤滑油溢流閥
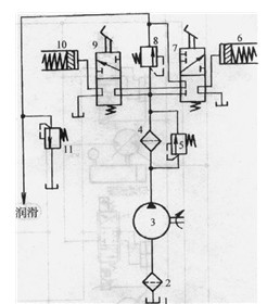
TY80型推土機的轉向部分液壓系統如圖2所示。
推土機轉向系統的液壓泵3采用CB-40C型齒輪泵。系統壓力由溢流閥8調定,工作壓力為lMPa。溢流閥11用于調定變速箱強制潤滑系統的工作壓力,設定值為0.15MPa。6和10分別為左右兩個轉向離合器,當兩個換向閥7和9都沒有動作時,彈簧力起作用,兩個離合器都合上,驅動左右兩側的車輪轉動,推土機保持直行狀態。當左轉向控制,則左離合器分離,只有右邊車輪有動力,因此車體向左轉,當閥7動作時車體向右轉。閥7和9由機械結構限制,同一時刻只能有個閥動作。
D8N型推土機液壓系統
D8N型推土機美國卡特公司生產的一種重型全液壓推土機。該機所有可操作機具全部采用液壓傳動,具有輸出功率大、性能優越、操作簡單、運動靈活及工作效率高等特點。該推土機的液壓操縱系統主要由機具操縱和轉向系統這兩大系統組成。液壓系統原理圖如圖3所示。

圖3所示D8N型推土機
D8N型推土機的機具操縱系統主要控制鏟斗和裂土器的動作。系統具有負載傳感、壓力補償和手動操作等功能。負載傳感壓力補償式變量柱塞泵3輸出的高壓油首先進入機具控制閥組4中各個控制閥的入口。該閥組的所有閥都通過直接連接在閥芯上的操縱桿進行操作。當閥組4中各方向閥都處于中位時,泵是卸荷狀態。控制閥7是大鏟動作的控制閥,有四個工作位置,分別控制大鏟的舉升、保持、下降和浮動。當操縱控制閥7工作在右位時,壓力油經控制閥7進入到鏟斗舉升液壓缸19的有桿腔,使大鏟提升,此時推土機可以空載行走。當控制閥7工作在左位時,壓力油進入鏟斗舉升液壓缸19的無桿腔,大鏟下降,進行推土作業。快速下降閥17的作用是使液壓缸呈差動連接形式,使鏟斗快速降到地面,并能在鏟斗撞擊地面后將系統壓力卸荷。控制閥8是控制大鏟傾斜動作的,操縱控制閥8可按需要調整大鏟工作角度。
控制閥6是裂土器的控制閥,左位控制裂土器下降,右位控制裂土器舉起。
該推土機的轉向控制系統是一個閉式容積調速系統。轉向泵1是一個由轉向主泵和輔助供液泵組成的泵組。輔助供液泵的功能是對閉式系統補油、控制轉向泵變量機構和對系統中的熱油液進行冷卻交換。閥15是旁通和壓力控制閥組,該閥組引導輔助供液泉輸出的壓力油進入過濾器14和冷卻器24,冷卻后的壓力油送人轉向先導閥12,還送入轉向主泵變量控制機構和裂土器分配閥。旁通和壓力控制閥組的另外一個作用是收集各液壓泵和液壓馬達殼體內的泄漏油,將其經濾油器輸送到油箱。
4 .17.8礦用自卸車液壓系統
礦用自卸車是大型露天礦和大型水利上程中應用最多的運輸設備。下面介紹的礦用自卸車為全液壓式。其轉向、舉升以及制動系統全部采用液壓傳動形式。圖4.17-8a所示為該車的液壓轉向和舉升回路原理圖。
圖4礦用自卸車液壓轉向和舉升回路原理圖
1-油箱2一過濾器3-回油過濾器4-泵組5-舉升控制閥6-氣動控制缸7-舉升液壓缸8-氣動控制閥9-排放閥組IO-轉向控制器11-卸荷閥組
.jpg)
圖5礦用自卸車液壓制動系統原理圖
1- 雙路液壓制動控制器2-先導控制器3-差壓組合閥4-干/濕路面轉換控制閥系統采用了雙聯葉片泵4,輸出的高壓油分為兩路,一路送人舉升控制閥5;另外一路進入卸荷閥組11。
卸荷閥組1l的作用是:當系統壓力低于14.7MPa時,主閥關閉,雙泵并聯供油。當系統壓力高于17.5MPa時,主閥開啟,雙聯葉片泵中的高壓小流量泵向蓄能器供油。舉升控制閥5是一個帶過載保護的氣動控制四位四通閥,該閥控制著翻斗箱的舉升、下降、保持和浮動四個工作狀態。氣動控制閥8設置在駕駛室內,以便于控制。舉升控制閥組的原始位置應在圖示的“H”型上位上,使翻斗液壓缸浮動,以便保證車體運動時,車廂隨路面情況浮動。
在礦用車行駛過程中,舉升控制閥一定在原始位置,因此雙聯葉片泵中的低壓大流量泵將經“H”型機能直接卸荷,而低壓小流量泵則在卸荷閥組11中單向閥的作用下低壓運行。壓力油經過排放閥組9送入轉向控制器10。轉向控制器10與方向盤通過萬向軸相連,直接受駕駛員控制。
礦用自卸車的制動系統也采用了全液壓傳動方式,圖4.17-8b所示為礦用自卸車液壓制動系統的原理圖。
制動系統的壓力油也來自排放閥組,分為兩路,一路送入先導控制器2,另一路送到雙路液壓制動控制閥的人口。先導控制器由液壓作用的隨動溢流減壓閥構成,主要作用是控制前輪制動力的大小。而先導控制器輸出壓力受后輪制動壓力控制。這種設計使前、后輪的制動力保持一定的關系,這對于制動的平穩性很有益處。雙路液壓制動器1由機械或液壓驅動,輸出的兩路壓力油分別對左、右兩個車輪制動器進行控制。差壓組合閥3的功能是制動后輪和向前輪輸送一定壓力比值的控制油。閥4是干/濕路面轉換控制閥,根據路面情況的不同,該閥控制先導控制器的控制油口的大小,以輸出兩種不同的制動壓力。
該車有三種制動方式,分別為工作制動、緊急制動和停車制動。制動踏板控制的是工作制動;AS電磁閥動作時為緊急制動。PS動作時,后輪的壓力油被卸荷,由彈簧力驅動停車制動。
本文標題:
液壓系統在汽車上的應用(二)
分類:
液壓行業知識
標簽:
液壓系統