煉鐵高爐泥炮液壓馬達控制系統
首頁 ? 液壓行業知識 ? 煉鐵高爐泥炮液壓馬達控制系統

        冶金工業是向制造業提供一定形狀(板材、管材、線材、棒材及其他型材)和牌號的各類金屬原材料的重型基礎工業。冶金工業包括了黑色金屬(鋼鐵)和有色金屬(銅、鋁等)的生產加工。在冶金工業生產過程中要使用液壓馬達諸如冶煉設備、軋制設備、型材整理設備及廢水處理設備等大型、重型機械設備。這些設備一般在高溫、多塵的惡劣環境下工作,對控制精度和自動化程度要求較高;冶金工業生產中同時伴隨著大量諸如污水、有害氣體的產生,需要相應的環保處理設備。而液壓技術的特點正適合上述要求,因此在冶金工業中顯示出其獨特的優越性。本章介紹冶金工業中的冶煉軋制機械設備、冶金產品整理加工及環保設備所使用的20例液壓馬達傳動與控制系統。
        (1)泥炮功能結構
該泥炮是350 rr13冶煉鐵高爐的爐前設備,采用液壓控制以實現泥泡的旋轉、壓炮、打泥等三個功能。
        (2)液壓控制系統及其工作原理
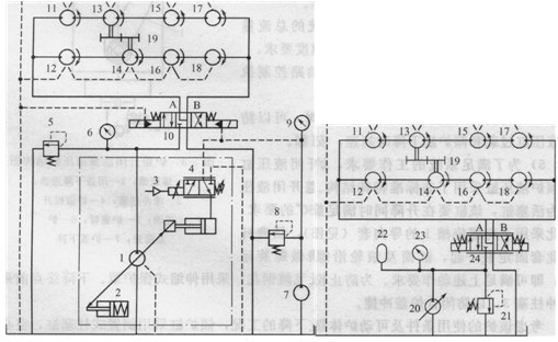
該泥泡液壓控制系統在原錐閥制系統基礎上改造而成,圖5-1所示為改造后的泥泡液壓系統原理圖。系統的油源為兩臺定量柱塞泵1和2,其中一臺為工作泵,一臺為備用泵。系統的壓力控制閥為兩個電磁溢流閥8和9,其中一個工作,一個備用,閥8和9分別由截止閥7和10進行通斷。當一個電磁溢流閥工作時,若電磁鐵通電,則二位二通換向閥切換至下位,液壓泵卸荷;當電磁鐵通電時間達到延時繼電器設定值時(電動機正常轉速),電磁鐵斷電,則二位二通換向閥復至上位,液壓泵向系統供油。系統的執行器有4個液壓缸(一個泥炮旋轉液壓缸11、兩個并聯的壓炮液壓缸12和一個打泥液壓缸13)以及開口機卷揚裝置的液壓馬達(圖中未畫出)。上述液壓缸里面的馬達的運動方向分別由三位四通手動換向閥27、28和29控制;液壓缸的雙向鎖定(保壓)分別由疊加式雙液控單向閥24、25和26控制;液壓缸的雙向調速分別通過調節疊加式雙單向節流閥21、22和23的開度實現;液壓缸的工作壓力可分別通過壓力表17、18和19顯示和觀測。旋轉液壓缸11的進油路上串接有先導式減壓閥20,以實現泥炮在低壓下平穩旋轉。 
        (3)技術特點
        1)基于冗余設計思想,泥炮液壓系統采用了雙泵雙壓力控制閥的結構,一個工作,一個備用,提高了系統和高爐的工作可靠性。
        2)采用手動換向閥,避免了復雜的電氣多點操作。
        3)采用了疊加式液壓鎖和雙單向節流閥,簡化了油路結構和油路塊設計,實現了液壓裝置無管化、集成化,體積小、重量輕、結構緊湊。 
                        
                                                                                      圖5-1高爐泥炮液壓馬達控制系統原理圖
1、2一定量柱塞泵;3、4-單向閥;5、14、15、16-壓力表開關;6、17、18、19-壓力表;7、10 -截止閥;8、9-電磁溢流閥;11-泥炮旋轉液壓缸;12-壓炮液壓缸;13-打泥液壓缸;20-減壓閥;21、22、23-雙單向節流閥;24、25、26-雙向液壓鎖;27、28、29-三位四通手動換向閥
4)用液壓馬達組成的卷揚裝置替代了人力推進開鐵口機鉆孔,降低了爐前工人的勞動強度。


本文標題:煉鐵高爐泥炮液壓馬達控制系統


分類:液壓行業知識
標簽: