概述
鐵路與公路運輸是國民經濟的大動脈。為了適應現代鐵路與公路高速化的發展,在鐵路與公路建設裝備和運輸設備中大量使用了液壓馬達和液壓技術。
液壓馬達技術在我國鐵道工程中應用很廣。特別是近些年引進的隧道施工中的液壓鑿巖臺車、巖石掘進機、輪胎式裝載機、立爪裝渣機、噴漿機械手、混凝土襯砌模板臺車以及養路機械中的軌行式道渣清篩機、起拔道搗固機、道床整形機、夯實機、連續閃光鋼軌對焊機等成套設備,都大量采用液壓馬達技術,并向計算機控制的方向發展。液壓技術在公路運輸行業的應用相當普遍。例如高速公路護欄的沖孔切斷機、汽車維修舉升機、地下汽車庫升降平臺、隧道工程襯砌臺車、公路架橋機等設備都大量使用了液壓傳動與控制技術。
鐵路鋪軌機液壓馬達系統
主機功能結構
長征ⅡA型鋪軌機是用于鐵路鋪軌的專用設備,其整機走行機構采用了液壓傳動。
液壓系統及其工作原理
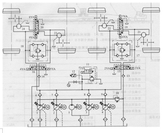
圖6-1所示為鋪軌機的液壓系統原理圖,系統的執行器為4個雙向定量液壓馬達,用于驅動抱軸減速箱而使主機運行。系統的油源為由4臺電動機分別驅動的變量液壓泵1、2、3、4,變量泵的最高壓力和卸荷通過電磁溢流閥11和壓力繼電器12設定與控制,泵的流量調節可在司機室完成;定量泵5用于4臺變量泵的啟動,其供油壓力由溢流閥10設定。

圖1鋪軌機液壓系統原理圖
1、2、3、4-變量液壓泵;5-定量液壓泵;6、7、8、9、13、14-單向閥;10-溢流閥 11-電磁溢流閥;12 -壓力繼電器;15、16、19、20-三位四通電液換向閥; 17、18-緩沖補油閥;21、22、23、24-雙向定量液壓馬達
以大車回路為例,通過電液換向閥19的控制,可使液壓馬達21和22在工作中獲得兩種連接油路:空車走行時,換向閥19處于中位,馬達21和22為串聯油路,以提高走行速度;低速啟動時,電磁鐵6YA(或7YA)通電,馬達21和22為并聯油路。緩沖補油閥17用于減緩大車制動時液壓馬達一側產生液壓沖擊和防止另一側液壓馬達吸空。電液換向閥13采用了Y型中位機能,在制動時,馬達處于浮動狀態,可使大車依靠慣性滑行一段距離,以便于對位。大車的制動采用空氣制動系統,正常情況下應使閥12復至中位后再進行制動。
(3)技術特點
1)鋪軌機液壓系統采用了變量泵一定量馬達開式循環油路,通過調節變量泵的輸出流量和改變液壓馬達的油路串并聯狀態進行無級容積調速,調節方便,功率損失小,系統發熱少。
2)系統設有緩沖補油裝置,可以防止制動時液壓沖擊和液壓馬達吸空。
3)如果壓力過高,系統可以通過壓力繼電器控制電磁溢流閥使系統自動卸荷,并報警。
4)鋪軌機走行機構采用液壓系統,加大了無級變速范圍,簡化了機械機構,減輕了重量并減緩了沖擊振動
分類:液壓行業知識
標簽: 液壓馬達

