主機功能結構
鐵路路基渣石的邊坡整形、維護及作業方式直接影響著鐵路運輸的快速性、安全性和經濟性。傳統的鐵路路基渣石的維護保養主要有兩種方式:一是靠人工用鐵叉等工具來完成;二是采用機械在鐵軌上完成對鐵路路基渣石的邊坡整形和維護。前者投入勞動力多、效率低、成本高、周期長;后者直接影響列車的運行效率和安全性。
該整形機采用全液壓控制,主要用于鐵路路肩上的渣石邊坡整形和維護作業。也可作為渣石在維護保養過程中的回填設備使用,具有成本低、操作簡單、效率高等優點,并且不影響列車的正常運行。
該機在鐵路沿線長距離作業,供電比較困難,故采用內燃機作為液壓系統的動力源,通過行走液壓缸的間歇運動、水平液壓缸驅動筢子平行往復移動以及筢子液壓缸帶動筢子上下往復運動,按指定程序進行循環動作,從而達到整形目的。筢子的高度及傾角可根據需要,通過系統中的液壓閥及液壓缸來調整。筢子的寬度大于每個循環所走的距離。由駐地到作業現場間的連續行走,采用液壓馬達來驅動。所有操作均可由一人獨立完成。調整工作完成后,一個人操縱方向盤即可開始整形作業。
為保證鐵路路基渣石邊坡整形機能連續工作,要求路肩寬度大于該機的工作寬度;設在路肩上的路標、電線桿等物距路軌的距離必須大于該機的工作寬度。
液壓系統及其工作原理
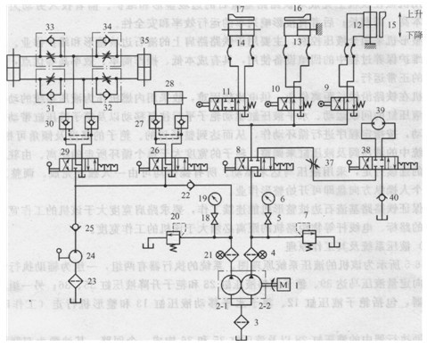
圖1所示為該機的液壓系統原理圖。系統的執行器有兩組,一組為輔助執行器,包括行走雙向定量液壓馬達39、筢子傾斜液壓缸28和筢子升降液壓缸35、36;另一組為整形作業執行器,包括筢子液壓缸12、筢子水平移動液壓缸13和整形機行走(工作時)液壓缸14。

圖1鐵路路基渣石整形機液壓系統原理圖
1-內燃機;2一雙聯液壓泵;3、23-吸油過濾器;4、21-壓力管路帶污染指示過濾器; 5、18-壓力表開關;6、19 -壓力表;7、20-溢流閥;8、26、29、38-_位四通手動換向閥;9、10、11-=位四通機動換向閥;12 -筢子液壓缸;13 -筢子水平移動液壓缸; 14-整形機行走(工作時)液壓缸;15、16、17-撞塊;22、25-單向閥;24-手動液壓泵; 27、30-雙向液壓鎖;28-筢子傾斜液壓缸;31、32、33、34-單向節流閥; 35、36-筢子升降液壓缸;37-節流閥;39-行走雙向定量液壓馬達;40-背壓單向閥
輔助執行器中的液壓缸28以及液壓缸35和36構成一個回路,其油源為雙聯液壓泵中的小泵2-1,該泵的壓力由溢流閥20設定并通過壓力表19及其開關18觀測。缸28和缸35、36的運動方向分別采用三位四通手動換向閥26和29控制;傾斜缸28調整筢子傾斜的位置,鎖定由液壓鎖27實現;液壓缸35和36驅動筢子齒尖接近或離開地面的位置,鎖定由液壓鎖30實現;單向節流閥31~34用于控制液壓缸35和36的升降同步及進油節流調速。手動液壓泵24為系統的備用油源,用于液壓系統或其他故障時,將筢子升離地面,以便用其他機械將整機拖離現場。
液壓馬達39單獨為一個回路,與整形作業執行器的三個液壓缸12、13、14構成的另一回路,共用雙聯液壓泵中的大泵2-2供油并用三位四通手動換向閥8實現兩個回路的動作切換;泵2-2的壓力由溢流閥7設定并通過壓力表6及其開關5觀測,該泵可以通過M型中位機能的三位四通手動換向閥8實現卸荷。液壓馬達的旋轉方向和速度分別由三位四通手動換向閥38和節流閥37進油節流控制,單向閥40作背壓閥使用,以提高馬達的運動平穩性。液壓缸12、13和14的運動方向分別采用二位四通手動換向閥9、10和三位四通機動換向閥11控制,換向閥9、10、11的工作位置切換分別由缸13、14和12上設置的行程撞塊16、17和15的壓下、脫開實現。
整個液壓系統的工作原理如下。
1)輔助執行器的動作整形作業前通過各輔助執行器的動作完成如下準備工作。首先啟動內燃機,使之達到最佳轉速,驅動雙聯液壓泵輸出壓力油。通過調整溢流閥7設定所需工作壓力,將換向閥8切換至左位后,操縱換向閥38,液壓泵2-2的壓力油經閥8和閥37、閥38進入液壓馬達39的高壓腔,使馬達39按所需方向轉動,驅動整形機向作業現場行走,行車速度由節流閥37的開度決定。到達現場后,整形機與鐵路路軌成平行狀態,朝路軌方向,調整好與路軌的距離;其次,通過調整溢流閥20設定使小泵2-1的工作壓力,通過換向閥26切換控制傾斜缸28的伸縮,將筢子的傾角調整合適后,將換向閥26復至中位,液控單向閥27自動鎖住缸28的所調位置;再次,通過操縱換向閥29控制筢子升降缸35和36的升降,調整筢子的高度,使筢子齒尖接近地面后,換向閥29復至中位,由液控單向閥30自動鎖住筢子升降缸35和36所調位置,缸35和36的同步和速度由單向節流閥31、32、33和34的開度決定;筢子的傾角和高度調整完畢后,為節省動力和延長泵的壽命,可將小泵的壓力調低。打開壓力表開關5觀察大泵2-2的工作壓力是否為整形作業所需值,調整溢流閥7后,關閉壓力表開關5。這時工作人員即可坐在整形機座位上操縱手動換向閥8,開始整形機的自動整形作業。
2)整形作業執行器的動作 機器整形作業時,整個液壓系統只要液壓缸12、13、14動作,即可完成整形作業。動作原理如下:當整形機由行走液壓缸14和行程撞塊17推動,向前移動到所需距離后,撞塊17作用于換向閥10使該閥切換至左位,液壓泵2-2的壓力油經閥8、10進入液壓缸13的無桿腔(有桿腔經閥10向油箱排油),推動筢子由右向左(坐在整形機內面向前)水平移動,以筢住路肩上散落的渣石。當缸13移動工作到所設定的位置后,行程撞塊16作用于換向閥9使其切換至左位,液壓泵2-2的壓力油經換向閥8、換向閥9進入液壓缸12的上腔(下腔經閥9回油),帶動筢子及渣石向上移動至所設定位置,渣石自動落在路基渣石的上部,從而完成一次渣石邊坡整形工作。這時撞塊15與換向閥11的閥心脫開使該閥復至右位,液壓泵2-2的壓力油經換向閥11進入行走液壓缸14的左腔(后腔經閥11回油),使之后退,行程撞塊17與換向閥10的閥心脫開使該閥復至右位,壓力油經閥8和閥10進入缸13的有桿腔(無桿腔經閥10回油),使之快速由左向右推動筢子移動(即筢子水平退回);同時行程撞塊16與換向閥9的閥心脫開使該閥復至右位,壓力油經閥8、閥9進入液壓缸12的下腔(上腔經閥9回油),帶動筢子向下移動到設定位置。在缸12的帶動下,行程撞塊15作用于換向閥11的閥心使該閥切換至左位,壓力油經換向閥11進入行走液壓缸14的右腔,帶動整形機向前移動,第二次邊坡整形工作開始。
3)撤離現場整形機結束邊坡整形作業離開現場前,用小泵2-1供油通過缸28和缸35、缸36的動作,將筢子的傾角和高度分別調整到適當位置,筢子水平移動缸13應在初始位置(即退到最右面的位置)。即可撤離作業現場。
(3)技術特點
1)該鐵路路基渣石邊坡整形機采用全液壓驅動,成本低,自動化程度高,節省了人力,作業效率高,不影響列車正常運行。
2)液壓系統采用雙定量泵雙回路開式進油節流調速油路,備有手動液壓泵,運行安全可靠,多執行器間動作互不干擾。
3)輔助液壓缸采用手動換向,采用雙向液壓鎖實現液壓缸的既定位置鎖定;通過進出口設置單向節流閥調整同步液壓缸的升降速度(進油節流調速)。
4)整形作業執行器采用行程控制方式(行程撞塊和機動換向閥)實現三個液壓缸的動作順序轉換,調整簡便。
分類:液壓行業知識
標簽: 液壓系統

