搗固機搗固裝置液壓試驗臺系統
首頁 ? 液壓行業知識 ? 搗固機搗固裝置液壓試驗臺系統

        搗固機搗固裝置及其試驗臺的功能結構
        08-32搗固機是我國從奧地利Plasser&Theurer公司引進的大型鐵路養路機械。該機主要由搗固裝置、起拔道裝置、抄平裝置等部分組成,用于50kg/m、60kg/m和75kg/m鋼軌及混凝土軌枕和碎石道床,在行進過程中能自動完成起道、拔道、抄平及搗固等工作。該搗固機共有兩組全液壓驅動的搗固裝置,每組搗固裝置由機架、搗固臂,搗固鎬等組成(見圖6-10),其中搗固臂由8個液壓缸驅動(夾持內缸和夾持外缸各4個),葉片液壓馬達驅動的振動偏心軸在振動中使搗固臂做合攏、張開動作來搗固道床。 
                                                                                                     
                                                                                                           圖6-10 搗固機的搗固裝置結構示意圖
                                                                                                                 1-機架;2-搗固臂;3-搗固鎬
        搗固裝置液壓試驗臺,是為了便于檢修、提高檢修效率并保證檢修質量所研制的一種試驗手段。其功能如下。
        1)模擬搗固機上搗固裝置的實際工作情況進
行搗固裝置的磨合試驗,試驗臺能驅動振動偏心軸并能使搗固臂合攏和張開。在試驗中檢查各液壓缸的伸縮動作是否協調到位以及20個滑動軸承、21個滾動軸承的裝置質量。
        2)搗固臂合攏、張開既可自動循環動作,也可手動合攏、手動張開單獨實現。搗固臂合攏和張開時間均可通過電氣控制實現連續可調。
        3)振動液壓馬達可試驗兩擋轉速。 
        4)試驗臺可做單缸的耐壓試驗,用來檢驗夾持缸的密封情況。
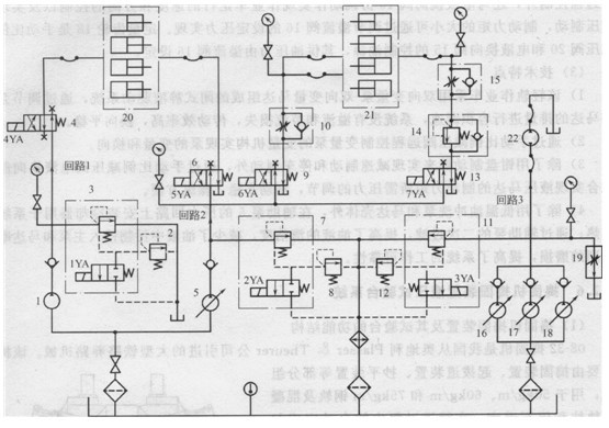
試驗臺液壓系統及原理
在本試驗臺上對搗固裝置試驗時,先對8個夾持缸進行耐壓試驗,然后再進行磨合試驗。試驗臺的液壓系統原理圖如圖6-11所示,系統有供8個夾持液壓缸試驗的回路1、回路2和供液壓馬達試驗的回路3等三個液壓回路。 
                                            
                                                                                                                     圖6-11 搗固裝置試驗臺液壓系統原理圖
1-單向定量泵;2、8、12-遠程調壓閥;3、7、11-電磁溢流閥; 4、6、9、13-二位四通電磁換向閥;5、16、17、18-變量液壓泵;10、15 -單向節流閥; 14-單向減壓閥;19 -調速閥;20-被試內缸;21-被試外缸;22-被試馬達
        供被試內缸20無桿腔試驗的回路1的油源為定量泵1,無桿腔的最高試驗壓力由電磁溢流閥3及遠程調壓閥2調整;供被試內缸有桿腔試驗和被試外缸21兩腔試驗的回路2的油源為單向變量液壓泵5,被試內缸及被試外缸有桿腔的最高試驗壓力由電磁溢流閥7及遠程調壓閥8調整;被試外缸無桿腔的試驗,由單向減壓閥14調整。通過二位四通電磁換向閥4、6、9、13的組合換向可實現夾持缸的伸、縮動作,來驅動搗固臂的合攏、張開。原理是:當電磁鐵4YA、5YA、6YA、7YA均通電時,換向閥4、6、9、13均切換至左位,泵5的壓力油同時進入內缸20有桿腔,內缸活塞桿內縮,外缸21活塞桿外伸,使搗固臂合攏。泵1為內缸20無桿腔提供背壓,外缸差動連接,類似于原搗固裝置液壓系統的回路。通過調整閥10中節流閥的開度,可均衡內、外缸的伸出速度,使之達到同步要求。當電磁鐵4YA、6YA通電,5YA、6YA斷電時,泵1的壓力油經閥4進入內缸的無桿腔,泵2的壓力油經閥9和閥10的單向閥進入外缸的有桿腔,使內缸活塞桿外伸,外缸活塞桿內縮,搗固臂松開。油路2可以對單缸進行耐壓試驗,試驗時通過調整電磁溢流閥7及遠程調壓閥8來調整試驗壓力,單向節流閥10、15作為加載閥。
        供液壓馬達22試驗的回路3的油源為三臺單向變量液壓泵16、17、18,油路的最高壓力由電磁溢液閥11設定,以防止過載。由于振動馬達為空載跑合,需要的供油壓力較低,該壓力由遠程調壓閥12調定,馬達的轉速由調速閥19旁路節流調節。
技術特點
        1)試驗臺的液壓系統按照搗固裝置的工作特點分為被試內缸、被試外缸和被試馬達等三個液壓回路,各回路設有自己的油源并用電磁溢流閥和遠程調壓閥調節試驗壓力,通過4個二位四通電磁換向閥的通斷電組合控制夾持液壓缸的伸縮試驗。
        2)根據搗固裝置夾持缸的工作壓力,試驗臺系統簡化為三種工作壓力(見表6-3),由于液壓泵1的壓力較低,所以采用了齒輪泵,以降低造價;而變量泵5、16、17、18為同一規格的柱塞泵,以滿足馬達試驗的兩擋轉速要求和系統元件好的互換性。
        3)外缸試驗時,液壓缸差動連接;回油節流閥調速方式調節缸的速度;液壓馬達試驗采用調速閥旁路節流調速,兩種調速方式均有利于液壓油散熱。
        4)試驗臺采用了全封閉式隔離的液壓泵站與各類液壓閥集成在一起的操縱臺結構。操縱臺中,經常需要調整的壓力閥、流量閥以及壓力表等元件設置在面板上,其他元件采用塊式集成。試驗臺與搗固裝置采用軟管連接。
        5)試驗臺設有電氣控制柜,用以實現液壓泵驅動電機、電磁閥及各種邏輯控制。
        6)與原有的檢修方法相比,采用該試驗臺能夠有效的檢測出搗固裝置裝配存在的問題,提高勞動生產率。
技術參數(見表6-3)


本文標題:搗固機搗固裝置液壓試驗臺系統


分類:液壓行業知識
標簽: