熱成型機是電冰箱工業生產中的內膽成型設備,它不僅可以生產冰箱內膽,還可以用于各種熱塑性材料的真空成型。該成型機不僅要求自動化程度高,同時還要求各執行器有多種速度和出力,且動作無沖擊、過渡平穩。
液壓系統及其工作原理
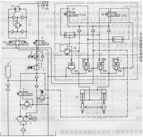
冰箱內膽四工位熱成型機液壓系統原理圖如圖1所示,執行器為液壓缸21、液壓馬達12及制動液壓缸13,系統的油源為雙聯泵(定量泵1和變量泵2)加蓄能器。6。當執行器高速運動而需要大流量時,雙泵及蓄能器同時供油。當執行器低速運動需要小流量時,小泵單獨向系統中供油而大泵則經電磁溢流閥卸荷。系統的壓力和流量分別通過電液比例壓力閥7和電液比例流量閥8控制,液壓缸17的運動由多功能插裝閥塊控制,液壓馬達12的旋轉運動及制動缸13分別由三位四通電磁換向閥10和二位四通電磁換向閥9控制。

圖1 四工位熱成型機液壓系統原理圖
1-定量泵;2-變量泵;3、16 -溢流閥;4-先導式溢流閥;5-=位四通電磁換向閥;6-蓄能器; 7-電液比例壓力閥;8-電液比例流量閥;9、14、15-二位四通電磁換向閥;10 三位四通電磁換向閥;11-單向溢流閥組;12-雙向變量液壓馬達;13 -制動液壓缸;17 -液壓缸
當比例閥7和8的電氣放大器接到智能模塊的控制信號時,雙泵和蓄能器的壓力油通過比例減壓閥7和比例流量閥8進入多功能控制閥,實現液壓缸17的動作。當電磁鐵1YA和2YA同時通電時,兩液壓缸差動快速向下運動;2YA通電、1YA斷電時,兩液壓缸非差動向下運動;1YA通電、2YA斷電時,兩液壓缸向上運動。兩液壓缸的速度取決于比例流量閥8的流量設定值;兩液壓缸的最大出推力取決于比例壓力閥7的壓力設定值。通過兩比例閥可以同時或單獨改變流量和壓力,以滿足成型機的各種要求。多功能控制閥還可以實現節流,調節4個插裝閥心AT、BT、PA、PB的限位螺絲即可限制液壓缸上下的最高速度。另外,閥心AT及控制蓋板上設置的先導溢流閥16,具有平衡閥的功能,可以平衡重力而使液壓缸停留在任意的位置上。
單向溢流閥11對馬達的制動起緩沖作用,并可防止馬達吸空。馬達運行到規定的圈數時,由編碼器發出信號使馬達迅速平穩地停下來。馬達的轉速和輸出扭矩也由兩比例閥控制,可分別在一定范圍內無級調節。
技術特點
1)液壓系統采用的雙泵加蓄能器油源,可以節能,并有消振作用。
2)采用比例閥可以通過設定電信號連續地控制液壓系統的流量和壓力,并且可以實現無沖擊的運動控制。
3)多功能插裝控制閥塊兼有方向控制、流量控制和平衡閥三種功能,減少了系統中閥的數量,節省了安裝空間,實現了無管路化連接。換向響應性好,執行器的啟動和停止動作平穩,換向時的噪聲和管路的振動小,不存在液壓卡緊現象。
4)與采用普通液壓閥系統的成型機相比,該成型機,結構緊湊、體積小、性能可靠、參數調整方便。
分類:液壓行業知識
標簽: 液壓系統

