(1)主機功能結構
GZ4120臥式帶鋸機床是一種大型下料設備,其極限加工尺寸為方料1450mm×1250mm,圓料Φ1 250mm.主機為雙立柱框架式結構。定環狀帶鋸條的鋸架能快速上升、快速下降和按工況速度進給;送料機構有夾緊送料、連鎖的自動送料和夾緊送料單獨的手動送料;前工作臺的夾緊及卸料;鋸條的張緊、導向;導向機構的鎖定等,這些動作均由液壓驅動實現。
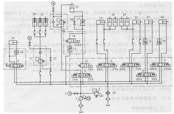
(2)液壓系統及其工作原理
機床的液壓系統原理圖如圖2-23所示,系統的油源為電動機驅動的限壓式變量葉片泵1,系統的最高工作壓力由溢流閥2設定,系統工作壓力由壓力表及其開關3顯示口系統的執行器為液壓缸19—26,這些液壓缸采用并聯回路,除去缸20. 21,各缸分別由各回路上的主換向閥4-9控制其運動方向。缸19的回路設有保壓用液控單向閥10;缸20. 21的回路設有減壓閥11和單向閥;缸22為鋸架升降缸,設有二位二通電磁換向閥12. 14和調速閥13、17及截止閥28,構成容積節流調速回路;缸25和缸26的回路分別設有調速閥15和16,用于調節液壓缸的速度。
.jpg)
圖2-23帶鋸機床液壓系統原理圖
1-限壓式變量叫片泵;2一溢流閥;3一壓力表;4三位四通手動換向閥; 5、6、7、8、9 -三位四通電磁換向閥;10-液控單向閥;11-減壓閥; 12、14-二位二通電磁換向閥;13、l5、16、17調速閥,18單向減壓閥; 19-鋸條張緊缸;20-導向機構鎖緊缸;21鋸條導向缸;22一鋸架升降缸;z3夾緊缸(前后同); 24-頂起缸(前后同);25一前卸料缸;26后送料缸;27、28截止閣;29冷卻器
系統的工作原理如下。三位四通手動換向閥4切換至右位,液壓泵l的壓力油經閥4和閥10進入鋸條張緊缸19的有桿腔,鋸條張緊至合適程度,保證鋸削時承受鋸條力而不打滑,無桿腔經閥4和冷卻器29回油,然后閥4復至中位,由液控單向閻10和閥4確保液壓油鎖定而恒定張力。然后電磁鐵2YA和3YA通電,三位四通電磁換向閥5和二位二通電磁換向閥12均切換至右位,液壓泵1的壓力油經閥5、12和調速閥17進入鋸架升降缸22的無桿腔,帶動鋸架快速上升至足夠高度,保證被切工件的順利通過,而有桿腔經單向減壓閥18中的單向閥和換向閥5回油。
被鋸切工件長度和下料長度,可選擇自動送料或手動送料方案。電磁鐵6YA通電使三位四通電磁換向闊7切換至左位,液壓泵l的壓力油經閥7進入夾緊缸10YA無桿腔和頂起缸24的無桿腔,后夾鉗夾緊的同時頂起缸頂起后工作臺;然后電磁鐵10YA通電使三位四通電磁換向閥9切換至左位,壓力油經閥9和調速閩16進入后送料缸26的無桿腔,實現送料;接著電磁鐵7YA通電使換向閥7切換至右位,壓力油經閥7進入缸23的有桿腔,夾鉗松開同時后工作臺落下,電磁鐵IIYA通電使換向閥9切換至右位,壓力油經閥9進入缸26的有桿腔,后工作臺復位。循環動作,至送料設定值(手動送料時缸26無桿腔進油后缸23無桿腔不必同時進油,即能分別動作)。
接著電磁鐵8YA通電使換向閥8切換至左位,泵1的壓力油經換向閥8和調速閥15進入前卸料缸25的無桿腔,前工作臺移動到位(只有到位后才能啟用電磁鐵12YA),電磁鐵4YA通電使換向閥6切換至左位,壓力油經閥6進入夾緊缸23無桿腔,前夾鉗夾緊工件;同時,按工件規格,將導向機構調至標定位置,設定減壓閥11至較合適的低壓值,旋緊截止閥27,鎖緊導向機構,并使鋸條被導向至與工件相垂直的位置。
鋸削時,首先將單向減壓閥18的壓力設定成最低值。電磁鐵3YA通電,旋開截止閥28,鋸架在自重作用下,快速下降到接近工件時使3YA斷電,電磁鐵12YA通電,將調速閥6設定成合適開度滿足進給工況速度;若自重不夠,則同時使電磁鐵1YA通電,使泵的壓力油經單向減壓閥18進入缸22的有桿腔,以加快切割速度。切割時一般不調速,若選定速度不合適,則可在切割后調整。切斷工件后,鋸架自動升起至合適高度,以保護鋸條,并適當旋緊截止閥28。
然后電磁鐵9YA通電使換向閥8切換至右位,壓力油進入缸25的有桿腔,前工作臺退回;電磁鐵SYA通電使換向閥6切換至右位,壓力油進入缸23的有桿腔,前夾鉗松開,卸下斷料;接著電磁鐵7YA通電使換向閥7切換至右位,壓力油進入缸23的有桿腔,后夾鉗松開;電磁鐵11YA通電使換向閥9切換至右位,壓力油進入缸26的有桿腔,帶動后工作臺退回,實現一次完整動作。
(3)技術特點
1)以手動換向閥和液控單向閥來確保鋸條在工作中不受油壓波動,鋸條始終處于張緊力適當的狀態。
2)夾緊、送料、卸料、鋸削進給等以電磁換向閥保證切換平穩和轉換精度,便于計算機控制,實現自動化。
3)鋸削進給采用“限壓式變量泵一調速閥一截止背壓閥”式容積節流調速方式、效率高、速度穩定、調速范圍較大。
4)液壓系統采用塊式集成結構(每一點劃線框內為一集成塊),油路通道短,壓力損失小,所用管件少;液壓裝置結構緊湊、體積小、外形美觀、便于操縱和維護。
5)采用冷卻器散熱,以便控制因機床工作時間長產生的溫升,有利于改善機床的性能及狀態。
6)該液壓系統運行動作迅速準確、性能穩定可靠、發熱小、噪聲低。
分類:液壓行業知識
標簽: 液壓系統

