QY20B型起重機的液壓控制系統主要由支腿回路、回轉回路、支臂控制回路和吊起控制回路組成。圖4.17-9所示為QY20B型汽車起重機1的液壓系統原理圖。

圖1QY20B型汽車起重機1的液壓系統原理圖
三聯齒輪泵1中的泵1.1為支腿回路、回轉回路和離合器液壓缸25的操縱閥13供油。泵1.2向吊起回路供油。泵1.3負責向支臂控制回路中的變幅回路供油也可根據需要與泵1.2并聯,實現快速吊起或下降。
泵1.1輸出的高壓油的壓力由溢流閥4.1調定,數值為16MPa。閥4.2的作用是控制泵1.1輸出油的流向。上位工作時,用于控制支腿水平缸6;下位工作時用于對蓄能器12充液或控制回轉機構。
當閥4.2在上工作位置,閥4.3可控制四個支腿水平缸6的伸出或縮回。閥4.4控制四個支腿垂直缸7的伸出或縮回。轉閥5是四個獨立的兩位閥,用于對各個垂直液壓缸進行單獨調整,調整時需將閥4.4扳在伸出工作位置上。
當閥4.2下位工作時,用于對蓄能器12充液或控制回轉機構。外控順序閥10的調壓范圍是5- 9MPa,當控制壓力低于5MPa時,順序閥10是關閉狀態,這時系統對蓄能器12充液。當蓄能器上的壓力達到9MPa時,壓力油會打開順序閥10將主油路的高壓油送到回轉控制閥14.2上,供回轉機構使用。回轉機構控制回路中溢流閥14.1的調定壓力為17.5MPa。
泵l 3輸出的壓力油直接送到支臂控制回路中的伸縮控制閥L4.4和變幅控制閥14.5的人口,用于支臂控制。平衡變幅和伸縮操作可以單獨動作,也可同時動作。閥塢和20分別是伸縮液壓缸和變幅液壓缸的平衡閥。
泵1.2的主要任務是向吊起回路供油。吊起動作的控制閥為五位6通手動多路閥14 .6。該閥可實現吊起動作的快升、慢升、快降和慢降四種速度。當閥14.6處于最上位時是吊起作業,扳至最下位時是下降作業,上位第二擋可將泵1.2和泵1.3的輸出油并聯,使馬達獲得更大的流量以實現快速吊起。下位第二擋則是將泵1 .2和泉1.3的輸出油合流后送人馬達,實現快速下降。
起重機的卷筒的動作條件有兩個,一是馬達旋轉,另一個是離合器需要閉合。離臺器的動作是由操縱閥13控制的,其控制油由蓄能器12供給,除了泵1.1向蓄能器12供油以外,吊起回路中的管道33也可向蓄能器12供油,這就保證了離合器的動作更加可靠。單向節流閥26限制卷筒制動器的動作,張開時緩慢,剛緊時迅速,以保證吊起和下降操作的動作司靠性。
雙機液壓鑿巖臺車液壓系統
鑿巖臺車用于巷道掘進工程中鉆鑿炮眼,一般都與裝載、運輸等設備配套使用。鑿巖臺車的液壓控制系統主要對推進器、支臂、行走機構以及一些輔助裝置進行控制。雙機液壓鑿巖臺車的液壓系統原理如圖4 17 10所示。

圖4 17 10雙機液壓鑿巖臺車的液壓系統原理
所謂雙機鑿巖臺車是指一個臺午上裝備有兩個鑿巖支臂。在掘進工程中要求鑿巖臺車能夠鉆鑿平行炮眼、傾斜炮眼和周邊炮眼。因此要求支臂能夠進行如下動作:(參照圖b)①支臂的變幅動作;②支臂的水平擺動;③推進器的仰俯動作;④推進器的水平擺動;⑤推進器的補償動作和⑥推進器的推進動作。
鑿巖臺車的液壓系統相對來說比較簡單,圖中所示只是左支臂的液壓控制系統,右支臂與此相同。液壓泵輸出的壓力油直接送到各個控制閥的入口,其中,換向閥13控制臺車的行走;換向閥15控制托釬器;閥組3是多路組合閥,其中閥1控制支臂的仰俯運動;閥Ⅱ控制推進器的仰俯運動;閥Ⅲ控制支臂的擺動;閥Ⅳ控制推進器的擺動;閥V控制推進器運動;閥Ⅵ控制補償液壓缸運動。這些手動換向閥是串聯連接的,當所有閥都處于中位時,液壓泵卸荷,這時其他不是閥組3控制的動作也不能完成。閥組3中各個控制閥是并聯連接的,因此可以同時進行多個動作,但是在同時動作的液壓缸當中,只有在負載較小的液壓缸運動到位之后,其他動作才能進行。
DZL-50型裝運機液壓系統
裝運機主要用于坑探和礦山地下采掘工程,用裝運機完成裝、運、卸等一系列作業。裝運機主要由三大部分組成,一部分是動臂的引降機構,其功能是將翻斗在卸車時升起,在行走時降到底座上。另一部分是翻斗機構,其作用是將車上的物料傾翻出來。第三部分為轉向控制。從液壓系統工作原理的角度分析,該系統是由工作機構控制系統和轉向液壓控制系統組成的。工作機構只有動臂升降和鏟斗翻轉兩個動作,且這兩個動作不允許同時發生,因此系統采用了互鎖回路。
液壓泵2是工作機構的主液壓泵,系統壓力調定為16MPa。多路換向閥9a是控制動臂升降的控制閥,該閥的右位使動臂提升,左邊第二位使動臂下降,最左位允許動臂液壓缸浮動,以適應非平整工作面上的操作。中位是將動臂液壓缸閉鎖。
手動換向閥9b控制鏟斗的前翻和后傾動作。雙溢流閥12調定壓力5MPa,起補油和緩沖作用。當動臂升降時,如果鏟斗已傾翻到極限位置,鏟斗的傾翻液壓缸必須隨動以避免別勁,這時可通過閥12進行補油。
該機工作機構的兩個控制閥都有自動復位功能。在動臂的后鉸點和翻斗液壓缸的相應位置上都裝有行程開關。當動臂升、降或鏟斗后傾到極限位置時,行程開關發出信號使電磁閥13動作,儲氣罐l中的高壓空氣使換向閥9a和9b白動復位。
運裝機的轉向動作也是由液壓系統控制的,系統的工作原理如圖4所示。
圖3 DZL-50型裝運機液壓系統原理圖
1一儲氣罐2、3雙聯液壓泵4-轉向液壓泵5-溢流閉6-轉向控制閥7-轉向液壓缸8流量控制閥9多路換向閥10-動臂液壓缸11-翻斗液壓缸12-雙溢流閥13電磁閥
圖4 DZL-50型裝運機轉向控制系統原理圖
轉向時,前車架棚對后車架左右擺動。轉向動作由液壓缸7a和7b驅動,這兩個液壓缸的有桿腔和無桿腔互聯,一個液壓缸的有桿腔和另一個液壓缸的無桿腔同時進、排油。控制閥6a和6b控制著轉向液壓缸的動作。當轉動方向盤18時,帶動轉向螺母旋轉,轉向螺母帶動控制閥6a的閥芯,但閥芯受機械結構限制并不轉動,僅作軸向運動,使閥口有一個開度。提供給轉向系統的高壓油推開切斷控制閥6c,進入轉向液壓缸。液壓缸運動時通過反饋桿15、轉向臂16帶動轉向螺母反向旋轉,使打開的閥口關閉,從而達到一個新的平衡。切斷控制閥6c的作用是:當方向盤不動時,路面引起的干擾力不能使前支架擺動。單向節流閥的設置使得切斷閥的動作打開時動作迅速,切斷時比較緩慢,這有利于防止液壓沖擊。
圖3中的液壓泵2和3是一個雙聯葉片泵,液壓泵3的工作條件比較特殊,它是一個輔助液壓泵,和閥8共同構成了一個壓力控制式流量自動分配系統。當發動機轉速較低時,輔助液壓泵3的輸出流量全部流向轉向系統,以保證轉向動作的可靠性;當發動機中速運轉時,液壓泵3同時向轉向系統和工作系統供油;當發動機高速運轉時,液壓泵3的輸出油全部輸送給工作系統,由于這時液壓泵4的輸出已經完全可以保證轉向的可靠性,不必液壓泵3的輔助,而工作機構的大流量則對提高裝運的鏟裝能力有利。上述自動變量過程由控制閥8中的液動換向閥和兩個節流口來完成,節流口的功能是隨負載流量的不同形成不同的壓差,液動換向閥的動作受該壓差控制使閥芯作相應的移動。

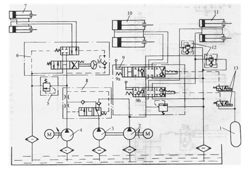
5 Qz-5-13型汽車起重機液壓系統
汽車起重機實際上就是將起重機安裝到汽車底盤上的一種能夠移動的起重設備。由于其操縱方便、平穩省力、工作效率較高等特點,因而被廣泛應用于各種頻繁流動的起重作業過程。圖5所示為Q2-5-13型汽車起重機的液壓系統原理圖。該機的最大起重量為5 L,最大升起高度為16m,伸縮臂為兩節式結構,轉臺可作360。連續回轉。
汽車起重機有支腿伸縮、支臂伸縮、支臂變幅、回轉和吊起操作等動作,各動作可單獨進行也可同時進行。所有控制閥都在中位時,泵卸荷。
在進行吊裝工作時不能用汽車的車輪作為承重點,因此必須首先將四個支腿放下。手動換向閥組6中的閥6a和閥6b分別控制著汽車的前后兩組支腿液壓缸。兩組液壓缸可以同時動作,但為保證汽車起重機的穩定性,應該先放前支腿,后放后支腿,順序不允許顛倒。收支腿時,應先收后支腿。
換向閥組9中的換向閥9a負責控制支臂的伸縮動作,平衡閥10起平衡和鎖緊作用。換向閥9b是變幅動作的控制閥。換向閥9e控制回轉馬達的動作,可左右任意旋轉。液壓馬達經過減速機構驅動轉臺旋轉,由于回轉動作非常緩慢,因此不必制動或調速。起重機的吊裝卷筒也由一個液壓馬達通過減速箱驅動,換向閥9d控制吊起動作,由于吊起動作必須保證定位迅速,不允許有前沖現象,因此卷筒上設置了常閉式液壓制動器16,當吊裝物體到達位置時,a立即停止。單向節流閥15使制動動作制動迅速,而放開緩慢,以適應吊裝工藝的要求。
本文標題:
液壓系統在汽車上的運用(三)
分類:
液壓行業知識
標簽:
液壓系統