組合機床是由具有一定功能的通用部件(動力箱、滑臺、支承件、運輸部件等)和專用部件(夾具、主軸箱)組成的高效率專用機床。加工范圍廣,自動化程度高,在機械制造業的成批和大量生產中得到了廣泛的應用。
動力箱安裝在滑臺上,動力箱上的電動機帶動刀具實現刀具的主運動,滑臺用來完成刀具的走刀運動。多數滑臺采用液壓驅動,以便實現多種進給(快進、一次工進、二次工進和快退等)。多種進給可根據工藝要求安排在一個工序中,也可以用多個滑臺同時進行加工。
(1)液壓系統的工作原理
圖1是一個組合機床液壓系統。在本系統中由一臺液壓泵向多個液壓缸供油,因此液壓系統必須滿足工位之間不干涉的要求,并力求功率損失最小。
在圖1中,液壓缸7,液壓缸13和液壓缸17分別控制三個滑臺。液壓缸14為夾緊缸,液壓缸15為輸送工件液壓缸,液壓缸l6為定位缸。由三位四通或二位四通換向閥分別控制各液壓缸的往復運動。在油路中可以不接人調速閥,可以接入一個調速閥(如液壓缸13,液壓缸17的油路),也可接人兩個串聯的調速閥(如液壓缸7、液壓缸15的油路),用這種方法使液壓缸7、液壓缸13、液壓缸17進行速度換接完成快進、工進I和工進Ⅱ等動作,同時還可使液壓缸15在每個方向上完成常速和緩沖的速度換接。
若三個滑臺同時快進,則需要較大流骨,此時液壓泵18和蓄能器19聯合向三個滑臺供油。來自液壓泵的油經調速閥3,來自蓄能器的油經閥1和閥2,二者匯合后經閥4進入液壓缸7。
在同一時刻有的滑臺快進,有的滑臺工進時,系統應保證二者不發生干擾。例如,液壓缸13、液壓缸17的滑臺處于快進而液壓缸7的滑臺處于工進時,行程閥5、6右位,此時閥8、閥9接人系統,調速閥3到閥4這段管路壓力升高,單向閥2關閉,蓄能器不再繼續向液壓缸7供油,進入液壓缸7的只有來自液壓泵的高壓油,液壓缸7工進。同時,因液壓缸7進油路的壓力增高使順序背壓閥10動作,液壓缸7回油路中產生背壓。此時,液壓缸7進行慢速工進,而其他兩個滑臺仍由液壓泵和蓄能器聯合供油進行快進,二者互不影響。
若三個滑臺液壓缸均處于工進狀態,來自液壓泵的油經順序閥11向蓄能器充液。當充油壓力達到一定值時,溢流閥12開啟溢流。
(2)組合機床液壓系統的特點
1)本系統采用單泵集中控制,系統對流量的需求量變化較大,采用蓄能器增速回路,可減少系統的功率損失和發熱。
2)本系統采用進口節流加背壓的調速方法。順序背壓閥在快進時只形成很小的背壓,功率損失小;工進時該閥能自動使背壓加大,進給速度平穩。
本組合機床的液搓系統和電氣系統配合,可自動完成除裝卸工件外的全部動作,系統的功率消耗可減少40%。
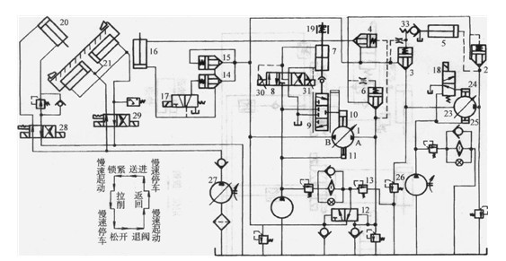
拉床液壓系統
拉削的主運動是由傳動系統帶動拉刀對工件進行直線切削的運動。它要求輸出力大(25~100OkN),調速范圍寬(0.02~0.6m/s),并要求無級調速。凼此拉床100%的采用液壓傳動。圖4.18-2是高速立式外拉床液壓系統。本系統的最大流量Q= 1000 L/min,最大功率P=11OkW。因此,減少功率損失和系統發熱極為重要。本機床除工件裝卸需要人工外,其余動作可以自動進行。液壓系統丁作原理如下:
(1)送進和鎖緊回路
被拉削的工件裝在工作臺上后,由進給液壓缸20將工作臺送進到一定位置,然后由液壓缸21將工作臺鎖緊。主液壓缸16帶動拉刀進行切削。拉削完畢后工作臺被液壓缸21松開,再由液壓缸20將工作臺退回原位,然后拉刀靠主液壓缸16完成返回行程。各動作的順序靠各行程開關或壓力繼電器發出的電信號控制各電磁閥完成。進給液壓缸20的進退由定位式二位四通電磁換向閥28控制。鎖緊液壓缸21由定位式二位四通電磁換向閥29控制。進給系統和夾緊系統共剛一個液壓泵27。
(2)液壓泵1的變量回路
變量機構由電液比例換向閥8、控制液壓缸7、雙向作用彈簧阻尼器19、伺服閥9和液壓缸10、11組成。電液比例換向閥8由電液比例雙向減壓閥和電液比例雙向節流閥組成。液體經過電液比例減壓閥后被減壓。減壓后的壓力值與輸入電流大小成正比,不隨進口的壓力變化。輸入的電流可以通過電位器調節。當比例電磁鐵30通電后,電液比例換向閥8減壓后的壓力值決定于電位器電阻的調定值,減壓后的壓力油流人控制液壓缸7上腔。液壓缸7的活塞桿一端與伺服閥閥芯相連。另一端與雙作用彈簧阻尼器的心軸相連。當液壓缸7上腔活塞面積上受到的液壓力大于預壓緊力時,活塞桿帶動伺服閥9的閥芯向下移動,其位移和活塞上的作用力成正比。當作用力與彈簧力平衡時,活塞桿與閥芯均停止運動。伺服閥的閥芯向下移動時與閥體形成開口,壓力油經過開口流人液壓缸10上腔,推動液壓缸10活塞連同閥體一起向下移動。閥體是反饋件,它可將輸出量反饋回輸入端與輸出量比較,從而構成閉環系統。閥體向下移動的結果使伺服閥的開口量逐漸減小乃至為零。這樣,液壓缸10的活塞即跟隨伺服閥的閥芯移動。同時液壓缸10的活塞帶動液壓泵l的定子,活塞的位移使液壓泵l的定子和轉子形成一定偏心量。偏心量的大小取決于電位器電阻的調定值。因此,調節電位器電阻值的大小,即可改變偏心量的大小,從而改變液壓泵1排量。變量機構反向運動時,原理和上述相同,液壓泵l的排量得到反向調節。
.jpg)
圖1組合機床液壓系統原理圖

圖2拉床液壓系統原理圖
(3)低速拉削
液壓泵23處于零位卸荷,插裝閥2、3處于關閉狀態,液壓泵23不向系統供油,液壓泵1的A口為排油口,插裝閥4關閉,壓力油經插裝閥6進入主液壓缸16有桿腔,推動活塞,進行低速拉削。無桿腔回袖經插裝閥15流人液壓泵1的吸油口B。多余的油經梭閥12、背壓閥13回油箱。
(4)高速拉削
高速拉削需要大流量,此時液壓泵23和液壓泵1同時向系統供油。閥18上位工作,液壓缸24上腔通壓力油。因液壓缸24比液壓缸25有效面積大,兩液壓缸中壓力相等,故液壓缸24活塞上的作用力大于液壓缸25括塞上的作用力而推動液壓泵23的定子,使之與轉子產生偏心。液壓泵23排出的油經插裝閥2和液壓泵1A口匯合后進人液壓缸16的有桿腔。此時,液壓缸5在壓力油作用下頂開單向閥33,使閥3的彈簧腔與油箱相連處于低壓狀態,閥3開啟。液壓缸16的活塞下行進行快速拉削。無桿腔的油因閥17通電,左位工作而流過閥14,然后一路經閥3到液壓泵23的吸油口或經閥26回油箱;另一路到液壓泵1的吸袖口B或經閥12、閥13回油箱。
(5)拉刀快速返回
此時液壓泵l的油口B為排油口。比例電磁鐵31通電,閥4開啟,來自液壓泵1的油經閥14進入液壓缸16的無桿腔。有桿腔的油經閥4、閥15又回到液壓缸16無桿腔形成差動聯接。液壓缸16活塞快速返回。
液壓系統的特點:
l)系統采用插裝閥、雙向變量泵的閉式油路。具有結構緊湊,換向沖擊小、功率損失小等優點,同時也提高了系統的動態性能和通用化程度。
2)高速拉削時經閥14卸荷可減少發熱,減少功率損失。
3)泵變量機構用電液比例閥控制可以方便地獲得無級調速和遠距離控制。
本文標題:
液壓系統在機床上的應用(一)
分類:
液壓行業知識
標簽:
液壓系統