液壓馬達系統的波浪補償起重機系統
首頁 ? 液壓行業知識 ? 液壓馬達系統的波浪補償起重機系統

           波浪補償起重機是遠洋運輸補給船首選的起重設備。為了克服在海上補給船與接收艦船補給貨物時,波浪運動引起兩船相對橫移和升沉,對吊裝作業造成的不利影響,波浪補償起重機采用了液壓馬達系統技術。波浪補償起重機的結構示意圖如圖1所示,通過臂架回轉和折臂補償兩船橫移,通過安裝在臂架上的測量索編碼器1檢測兩船相對升沉,補償缸3驅動補償絞車使貨物與兩船相對升沉隨動,自動補償因升沉引起的貨物與接收艦船甲板間距離變化,避免貨物與甲板突然相撞而造成損失。 
                                                                 
                                                                                                       圖1波浪補償起重機結構示意圖
                                                                                    1-測量索編碼器;2-補償絞車;3-補償缸4-起貨絞車;5-重物
          波浪補償起重機的液壓系統及原理
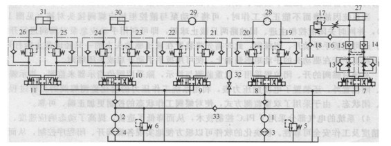
          波浪補償起重機的液壓系統原理圖如圖1所示。系統的液壓執行器為主臂液壓缸30、副臂液壓缸31、補償液壓缸27、回轉液壓馬達28、起升絞車液壓馬達29,分別由5個電液比例閥7~11控制它們的運動方向和速度,其中補償缸采用閉環控制。系統的油源為低壓大流量泵1和高壓小流量泵2,各泵吸油口設有過濾精度為8μm的精過濾器3和4,液壓泵1和2的供油壓力分別由溢流閥5和6調定。泵1在波浪補償未啟動時為間歇工作制,工作時向回轉回路及蓄能器32供油,蓄能器壓力達到上限后停泵,回轉回路由蓄能器供油,蓄能器壓力低于下限時泵1啟動供油,波浪補償啟動后自動轉換為連續工作制。 
                                                                                       
                                                                                                                                圖2波浪補償起重機液壓系統原理圖
1、2-液壓泵;3、4-過濾器;5、6-溢流閥;7~11電液比例閥;12、13節流閥; 14、15 -液控單向閥;16、18、33-單向閥;17 -溢流閥;19~26-平衡閥;27-補償液壓缸;28回轉液壓馬達;29-起升絞車液壓馬達;30-主臂液壓缸;31-副臂液壓缸;32-蓄能器
          主臂缸30、副臂缸31和起貨絞車液壓馬達29控制回路分別由各回路的電液比例閥和平衡閥控制液壓缸及液壓馬達的方向和流量。為了減少負載變化對控制精度的影響,上述3個回路電液比例閥控制閥電壓的增益及斜率采用軟件進行均衡和調節,控制器檢測起吊重量及操作手柄的方向、角度和變化速度,對比例閥電壓控制信號的幅值、斜率限幅,以避免系統沖擊和機械振動,根據起吊重量調節系統增益,并使起貨、副臂及主臂電液比例閥的增益成線性,減少負載變化的影響。
          回轉液壓馬達28和補償缸27回路分別由各回路的電液比例閥控制其運動方向和速度。操作桿左右擺動時,回轉電液比例閥8經平衡閥19或20驅動回轉液壓馬達28,電平控制曲線呈馬鞍形,由泵1直接供油或蓄能器32供油。高壓回路的蓄能器32有兩個作用,波浪補償未啟動時,停泵后由蓄能器保壓;波浪補償啟動時,用于減小系統沖擊,提高響應速度。波浪補償電液比例閥為閉環控制,當貨物到達卸貨區域上方時,啟動波浪補償,貨物降落到甲板后,關閉波浪補償。
          波浪補償閉環控制
          波浪補償閉環控制系統要自動補償由于升沉和橫搖引起的貨物與接收艦甲板的垂直方向位移變化,在臂架頂端安裝有恒張力測量索,測量索帶動旋轉編碼器測量兩船甲板垂直方向位移變化作為系統輸入,補償液壓缸輸出位移脈沖作為系統反饋,控制器為可編程序控制器PLC,對輸入和反饋脈沖計數并計算偏差輸出±10V模擬信號控制電液比例閥,控制原理方框圖如圖2所示。 
                                       
                                                                                                                                                                                                                       【圖3 控制原理方框圖】
         1)位置控制 位置控制包括偏差控制和補償缸行程控制。波浪補償過程是船體相對垂直方向位移與液壓缸位移的偏差控制過程。波浪補償啟動后,PLC檢測波谷位置,當船體從波谷位置上升時,控制補償缸從原點伸出,貨物被提升,其位移、速度與船體上升的位移、速度相同;船體從波峰下降時,補償缸回縮,貨物下降,其位移、速度仍與船體下降的位移、速度相同。當補償缸活塞桿到達行程終點時,轉入液壓缸行程控制,使活塞桿以一定斜率減速,避免與缸體相撞引起臂架機械振動。
          2)力控制與過載保護在補償過程中對液壓缸移動的線速度和加速度限值,減小貨物加速提升或下降過程中作用在臂架上的附加力矩。當補給船船體下沉,同時貨物被加速提升,而且船體升沉加速度值過大時,補償缸無桿腔受重力加速度作用壓力升高,液壓缸無桿腔的油液一部分經圖11-26中的節流閥、溢流閥17、單向閥18回油箱,另一部分油液經過單向閥16補充液壓缸的有桿腔,防止其有桿腔吸空,并對系統過載保護。
         3)零漂及死區控制 控制補償缸的電液比例閥具有零開口調節曲線和先導級、主級兩級反饋,位置控制精確,并有較高的響應特性,避免主閥心在死區位置振蕩。在靜態時,控制器輸出小的偏差信號,并以閥心位移和液壓缸位移作為反饋,防止泄漏造成液壓缸漂移。
         技術特點
         1)與伺服閥組成的系統相比,電液比例閥可以連續地對液壓系統的方向、流量進行調節和控制,價格便宜、抗污染能力強,而采用閉環控制能夠改善其動態和靜態品質,使船用起重機中具有較好的技術經濟性能。
        2)系統采用高低壓雙泵加蓄能器油源,有利于能量的合理分配與使用。


本文標題:液壓馬達系統的波浪補償起重機系統


分類:液壓行業知識
標簽: