WKH2.5系列液壓回轉傳動裝置
首頁 ? WKH系列液壓回轉傳動裝置 ? 產品中心 ? WKH2.5系列液壓回轉傳動裝置
WKH系列液壓回轉傳動裝置
文件名:WKH系列液壓回轉傳動裝置
 
PDF格式下載請右鍵點擊,然后目標另存為

圖片格式下載請右鍵點擊,然后目標另存為

扭矩:1000~80000N.M

轉速:1~63r/min

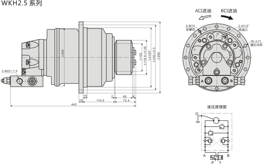
WKH2.5系列外形尺寸

WKH2.5液壓回轉傳動裝置性能參數

型號

額定輸出扭矩

N.m

轉速范圍

r/min

額定壓力

Mpa

總排量

ml/r

液壓馬達N.m

傳動比

適用機重

ton

總重量

kg

型號

排量ml/r

WKH2.5-1000D47+F

1000

0~63

20

407

AKS05-75

74

5.5

2~5

85

WKH2.5-1200D47+F

1200

0~63

20

473

AKS05-90

86

5.5

2~5

85

WKH2.5-1500D47+F

1500

0~63

16

709

AKS05-130

129

5.5

2~5

85

WKH2.5-1700D47+F

1700

0~63

16

825

AKS05-150

151

5.5

2~5

85

WKH2.5-2000D47+F

2000

0~63

16

1100

AKS05-200

191

5.5

2~5

85

 

 

 

 

 

輸出齒輪外形尺寸

齒輪參數

m

z

x1

6

17

0.5

6

17

0.5

6

17

0.5

6

17

0.5

6

17

0.5

1.輸出齒輪的選用必須考慮輸出扭矩的大小,以保住齒輪和傳動軸的強度。

2.配流器的選用應參照系統允許供油量的大小,上述表格和輸出軸僅為常用形式。

3.公司可根據客戶需要提供各種規格形式的回轉裝置,詳情請與本公司聯系。


本文標題:WKH2.5系列液壓回轉傳動裝置


分類:WKH系列液壓回轉傳動裝置,產品中心
標簽: