產品分類
聯系我們
產品搜索
![]() |
文件名:XZ系列履帶(車輪)液壓行走減速機(液壓行走馬達)
|
|
|
扭矩:1300N.M~40000N.M
轉速:0.1~100r/min
|
XZD系列履帶(車輪)液壓行走馬達由液壓馬達、制動器、行星減速器、閥組等組成。為外殼傳動,可直接與車輪或履帶驅動輪相連接,工作可靠、效率高。采用的是高承載圓錐滾子軸承設計,使其完全具備承載挖掘機在工作和轉彎時所產生的軸向力和徑向力。本產品結構緊湊、外形美觀、性能優越,可直接替代進口產品,廣泛用于鉆機、非開挖鉆機、巖土鉆機、潛孔鉆機、旋挖鉆機、掘進機的履帶行走機構和軌道車輛、工程車輛等設備中。
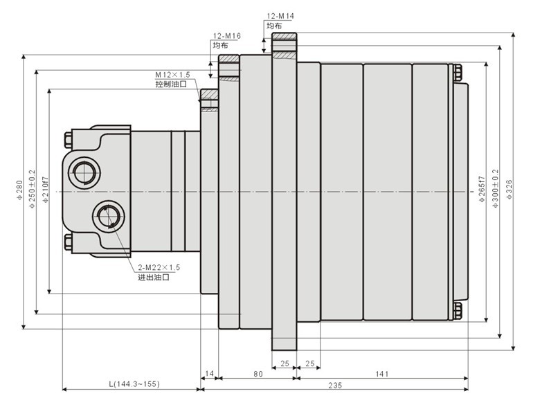
XZD系列安裝聯接尺寸
XZD系列履帶行走馬達性能參數
|
型號 |
額定扭矩 |
轉速范圍 |
最高壓力 |
配用馬達 |
減速比 |
制動器 |
重量 |
|
|
靜制動扭矩 |
最小開啟壓力 |
|||||||
|
XZD-10000 |
10700 |
0.4~19 |
21 |
2W-160 |
24 |
8000 |
2.5 |
115 |
|
XZD-9000 |
9100 |
0.4~24 |
21 |
2W-130 |
24 |
8000 |
2.5 |
|
|
XZD-6900 |
6900 |
0.4~30 |
21 |
2W-100 |
24 |
8000 |
2.5 |
|
|
XZD-5500 |
5500 |
0.4~33 |
21 |
2W-80 |
24 |
8000 |
2.5 |
|