YLM31系列 10000牛米低速大扭矩液壓馬達
首頁 ? 產品中心 ? YLM31系列 10000牛米低速大扭矩液壓馬達
文件名:YLM外五星液壓馬達
PDF格式下載請右鍵點擊,然后目標另存為
圖片格式下載請右鍵點擊,然后目標另存為

扭矩范圍:225~12387N*m

轉速范圍:8~600r/min

 

 

 

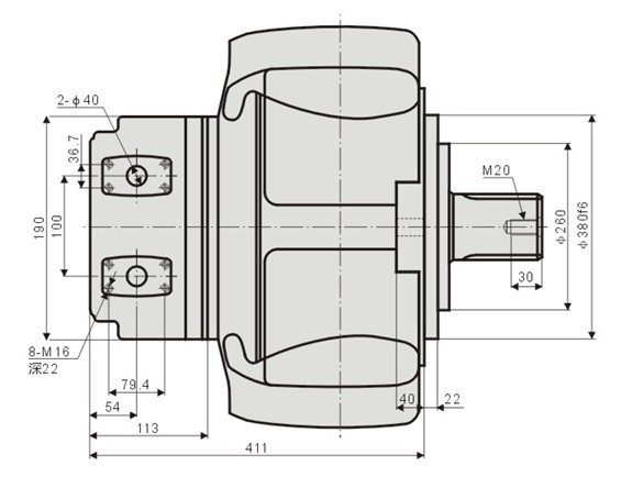
YLM31-2500~5000系列外五星液壓馬達尺寸

軸向尺寸:411+鍵長度

徑向尺寸:640

YLM31系列外五星液壓馬達技術參數表

型號

排量(ml/r)

額定壓力(Mpa)

最高壓力(Mpa)

額定扭矩

N.M

單位扭矩(N.m/MPa)

轉速范圍(r/min)

重量(Kg)

YLM31-2500

2553

25

32

9523

405

2~250

298

YLM31-2800

2683

25

32

10559

443

1~200

YLM31-3000

3063

20

25

9135

485

1~200

YLM31-3150

3218

20

25

9392

500

1~200

YLM31-3500

3462

20

25

10220

544

1~160

YLM31-4000

4152

20

25

12481

665

1~160

YLM31-5000

4828

16

20

12387

825

1~160


本文標題:YLM31系列 10000牛米低速大扭矩液壓馬達


分類:產品中心
標簽: