產品分類
聯系我們
產品搜索
2W系列擺線液壓馬達
.jpg)
|
排量(ml/r)
|
轉速PRM
|
流量LPM
|
扭矩NM
|
壓力BAR
|
參考重量KG
|
允許最大背壓
|
|||||
|
最大連續
|
間斷
|
連續
|
間斷
|
連續
|
間斷
|
連續
|
間斷
|
峰值
|
|||
|
80
|
799
|
908
|
75
|
75
|
235
|
345
|
205
|
310
|
310
|
11
|
70
|
|
100
|
742
|
924
|
75
|
95
|
295
|
445
|
205
|
310
|
310
|
11.1
|
70
|
|
130
|
576
|
720
|
75
|
95
|
385
|
560
|
205
|
310
|
310
|
11.3
|
70
|
|
160
|
477
|
713
|
75
|
115
|
455
|
570
|
205
|
260
|
310
|
11.3
|
70
|
|
195
|
385
|
577
|
75
|
115
|
540
|
665
|
205
|
260
|
310
|
11.6
|
70
|
|
245
|
308
|
462
|
75
|
115
|
660
|
820
|
205
|
260
|
310
|
11.9
|
70
|
|
305
|
246
|
365
|
75
|
115
|
765
|
885
|
205
|
240
|
310
|
12.3
|
70
|
|
395
|
191
|
335
|
75
|
130
|
775
|
925
|
155
|
190
|
225
|
13
|
70
|
9、馬達的連續工作壓力和間斷工作壓力同規格不同流量下會不同,詳見不同工作點的性能參數。
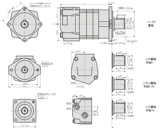
2W標準馬達外形及聯接尺寸


2W車輪馬達外形及聯接尺寸

2W無軸承馬達外形及聯接尺寸

J2W大法蘭馬達外形及聯接尺寸


訂貨參考尺寸及外形圖,根據所選用的馬達具體型式從下表中選擇對應編號,本表中僅提供了產品編號的一部份,當需要的規格查不到時,請與營銷部聯系,標準顏色:藍色。
|
尺寸規格
|
排量
|
|||||||||
|
法蘭
|
輸出軸
|
油口螺紋
|
80
|
100
|
130
|
160
|
195
|
245
|
305
|
395
|
|
標準2孔法蘭
82.55止口
|
1.25”直軸,平鍵8軸伸55.5
|
M22*1.5外泄口M14*1.5
|
604-0011
|
0012
|
0013
|
0014
|
0015
|
0016
|
0017
|
0018
|
|
25直軸,平鍵8
軸伸464.8
|
M22*1.5外泄口M14*1.5
|
604-0021
|
0022
|
0023
|
0024
|
0025
|
0026
|
0027
|
0028
|
|
|
32軸伸,平鍵10 軸伸64.8
|
M22*1.5外泄口M14*1.5
|
604-0071
|
0072
|
0073
|
0074
|
0075
|
0076
|
0077
|
0078
|
|
|
1”直軸,平鍵8 軸伸44
|
M22*1.5外泄口M14*1.5
|
604-0061
|
0062
|
0063
|
0064
|
0065
|
0066
|
0067
|
0068
|
|
|
花鍵徑節12/24.14齒軸伸58
|
G1/2”外泄口ZG1/8”
|
604-2321
|
2322
|
2323
|
2324
|
2325
|
2326
|
2327
|
2328
|
|
|
1.25“直軸,平鍵7.9 軸伸65
|
板式聯接3-M10外泄口M14*1.5
|
604-0361
|
0362
|
0363
|
0364
|
0365
|
0366
|
0367
|
0368
|
|
|
標準4孔法蘭
82.55止口
|
32mm直軸,平鍵10 軸伸65
|
R1/2“BSP外泄口”M14*1.5
|
604-1384
|
1385
|
1386
|
1387
|
1388
|
1389
|
1390
|
1391
|
|
32直軸,平鍵10 軸伸65
|
M22*1.5外泄口M14*1.5
|
604-0041
|
0042
|
0043
|
0044
|
0045
|
0046
|
0047
|
0048
|
|
|
6D-30x26x6軸伸65
|
M22*1.5外泄口M14*1.5
|
604-1051
|
1052
|
1053
|
1054
|
1055
|
1056
|
1057
|
1058
|
|
|
花鍵,徑節12/24,14齒軸伸57
|
R1/2“BSP外泄口G1/4
|
604-2241
|
2242
|
2243
|
2244
|
2245
|
2246
|
2247
|
2258
|
|
|
1.25”直軸,平鍵7. 95 軸伸55 5
|
G1/2 "
外泄口ZGl/4
|
604-0251
|
2252
|
2253
|
2254
|
2255
|
2256
|
2257
|
1006
|
|
|
44孔大法蘭
100止口
|
6D-30x26x8 軸伸57
|
M22x1.5外泄口M14x1.5
|
|
|
630-1001
|
1002
|
1003
|
1004
|
1005
|
1006
|
|
6D-30x26x8
軸伸57
|
板式聯接4-M10
|
|
|
630-1011
|
1012
|
1013
|
1014
|
1015
|
1016
|
|
|
車輪馬達
|
32軸伸,平鍵10 軸伸104
|
外泄口
M22x1.5外泄口M14x1.5
|
604-4371
|
4372
|
4373
|
4374
|
4375
|
4376
|
4377
|
4378
|
|
1.25”錐軸,帶槽螺母軸伸104
|
板式連接3-M10泄油口7/16-20UNP
|
604-4391
|
7392
|
7393
|
7394
|
7395
|
7396
|
7397
|
7398
|
|
|
無軸承馬達
|
|
M22x1.5
|
604-8181
|
8182
|
8183
|
8184
|
8185
|
8186
|
8187
|
8188
|
泰勒姆斯液壓