6W系列擺線液壓馬達
首頁 ? W系列擺線液壓馬達 ? 6W系列擺線液壓馬達

 

6W系列擺線液壓馬達

主要性能技術參數

 
排量(ml/r)
轉速PRM
流量LPM
扭矩NM
壓力BAR
參考重量KG
允許最大背壓
最大連續
間斷
連續
間斷
連續
間斷
連續
間斷
峰值
195
775
866
150
170
575
860
170
275
310
28.1
70
245
615
834
150
210
735
1100
170
275
310
28.6
70
310
485
698
150
225
930
1355
170
275
310
29.2
70
390
387
570
150
225
1155
1635
170
275
310
30
70
490
307
454
150
225
1445
1885
170
24
310
30.9
70
625
241
355
150
225
1380
1378
120
140
310
32.1
70
985
153
230
150
225
1685
1873
120
140
310
35.5
70
 
注意事項
1、應避免同時在最高扭矩和最大轉速下使用馬達。
2、表中所列扭矩值適用于直徑1.75的錐軸,1.5的軸出軸允許的最大連續扭矩和間斷扭矩為1325Nm和1650Nm.
3、超過允許背壓時,應接外泄管,并保證馬達內腔總能充滿液壓油。
4、最大入口壓力為310Bar,但工作壓力差應符合上表要求。
5、最大回油背壓70Bar,為保證馬達長壽命可靠工作,推薦當回油背壓大于35Ba rllj接外泄油管。
6、馬達間斷工作持續時間不超過6秒鐘:峰值工作持續時間不超ft0.6秒鐘。
7、系統最大工作溫度:82。C
8、推薦用油:抗磨液壓油,工作條件下粘度不低于13cSt,濾清精度:IS018/13。

9、在馬達全負載工作前,應在額定壓力的30%-F運轉約1小時,確保在滿負荷工作前馬達內腔充滿液壓油。

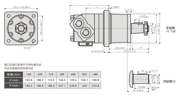
6W標準馬達外形及聯接尺寸

6W車輪馬達外形及聯接尺寸

6W無軸承馬達外形及聯接尺寸

訂貨參數尺寸及外形圖,根據所選用的馬達具體型號從下表中選擇對應編號,本表中僅提供了產品編號的一部分,當需要的規格查不到時,請與營銷部聯系。


本文標題:6W系列擺線液壓馬達


分類:W系列擺線液壓馬達
標簽: